Клапан соленоидный нормально закрытый непрямого действия с диафрагмой AR-YCWS10-21P предназначен для управления потоком рабочей среды в трубопроводе
Особенности:
- Клапан может использоваться в пищевых устройствах: кулерах, бойлерах, кофемашинах
- Пониженное энергопотребление
- Компактный размер
- Ламели для подключения в комплекте
Принцип действия и область применения
Нормально закрытый соленоидный клапан – это магнитный клапан, в котором закрытое положение сохраняется, если управляющее напряжение на его индукционную катушку не подается. При подаче напряжения на катушку нормально закрытый клапан открывается и пропускает через себя поток рабочей среды. При отключении управляющего напряжения этот клапан автоматически закрывается и перекрывает поток рабочей среды в трубопроводе. При обрыве провода управляющего напряжения клапан будет закрыт.
В большинстве случаев подходит для эксплуатации в системах водоснабжения, теплоснабжения, вентиляции и пневмоуправления. Особенно актуально применение данного типа клапана, когда клапан должен быть закрыт большую часть времени либо когда он обязательно должен быть закрыт при отключении электропитания системы.
Технические характеристики
| Параметр | Значение |
| Рабочая среда | Вода, горячая вода, воздух, инертные газы, масла |
| Материал | Корпуса | Полиацеталь |
| Уплотнения | NBR |
| Температура рабочей среды | −10...+80°С |
| Рабочее давление | 0,02...0,8 МПа |
| Диаметр условного прохода | 6 мм |
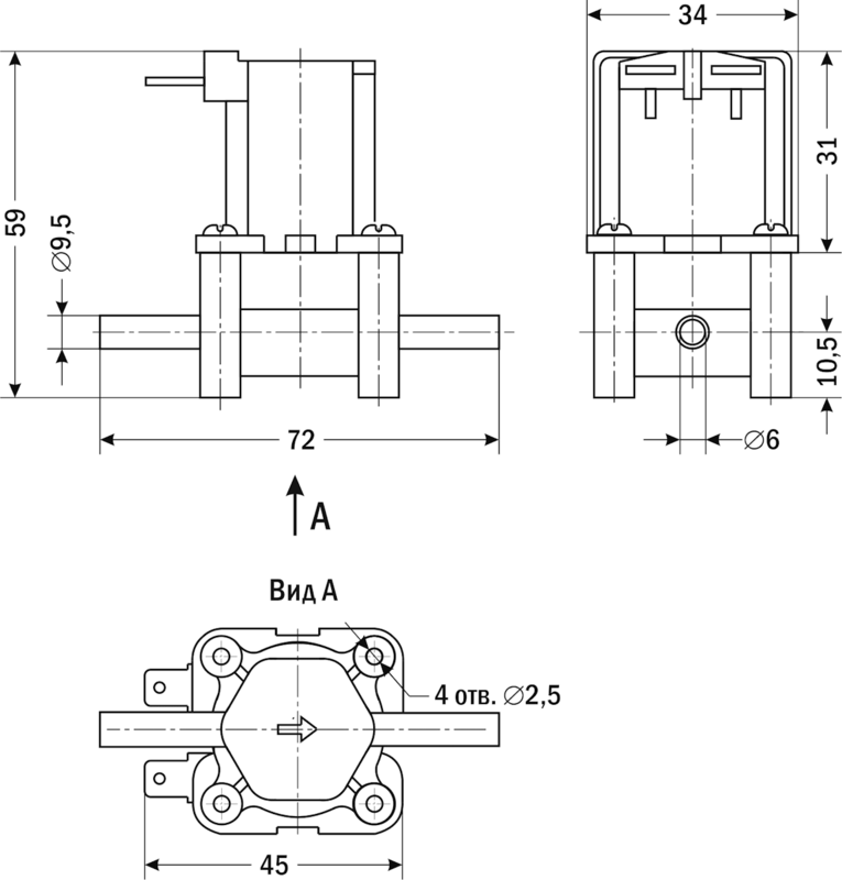
| Присоединение | 2 штуцера ∅ 9,5 мм |
| Катушка | SA41B, IP20 |
| Питание | ~220 В, ~110 В, ~24 В, =36 В, =24 В, =12 В, =6 В |
| Мощность | 5 ВА (AC), 5 Вт (DC) |
Модификации
| Обозначение | Ду, мм | Kv, м³/ч | Присоединение | Pmin, МПа | Pmax, МПа | Вес, г |
| AR-YCWS10-21P-6-d9,5-CLN | 6 | 0,85 | 2 штуцера ∅ 9,5 мм | 0,02 | 0,8 | 87 |
Расшифровка обозначения клапана AR-YCWS10-21P-6-d9,5-XYZ:
AR-YCWS10-21P – модель клапана.
6 – диаметр условного прохода в мм.
9,5 – внешний диаметр штуцера, мм.
X – присоединение: C – штуцер.
Y – материал корпуса: L – полиацеталь.
Z – материал уплотнения: N – NBR.
Все модификации
| Артикул | Питание, В | Срок поставки | Стоимость |
| V59204 | ~220 | Со склада | 882 руб. |
| V59205 | ~110 | 120 дней | 882 руб. |
| V59206 | ~24 | 120 дней | 882 руб. |
| V59207 | =36 | Под заказ к 2026.03.28 | 882 руб. |
| V59208 | =24 | 120 дней | 882 руб. |
| V59209 | =12 | Под заказ к 2026.03.28 | 882 руб. |
| V59210 | =6 | 120 дней | 882 руб. |
| Габаритные размеры |
 |
Документация и схемы