Клапан нормально открытый AR-2W42
Клапан соленоидный нормально открытый прямого действия с диафрагмой для управления потоком рабочей среды в трубопроводе
Особенности:
- Срабатывание при нулевом давлении
- Высокая частота срабатывания
- Долгий срок службы
Принцип действия и область применения
Нормально открытый соленоидный клапан – это клапан, который при отсутствии напряжения на его индукционной катушке открыт для потока рабочей среды через него. При подаче напряжения на катушку магнитный клапан этого типа закрывается и остается закрытым все время, пока напряжение подается на катушку. При обрыве провода управляющего напряжения клапан будет открыт.
В большинстве случаев подходит для эксплуатации в системах водоснабжения, теплоснабжения, вентиляции и пневмоуправления. Особенно актуально применение данного типа клапана, когда клапан должен быть открыт большую часть времени, либо когда он обязательно должен быть открыт при отключении электропитания системы.
Для защиты клапана от попадания инородных частиц необходима установка фильтра-грязевика типа ФС-У перед входным отверстием соленоидного клапана.
Для герметизации резьбовых металлических соединений рекомендуется использование анаэробных герметиков.
Технические характеристики
| Параметр | Значение | ||
| Рабочая среда | Вода, горячая вода, воздух, инертные газы, спирт, масла | ||
| Материал | Корпуса | Латунь | Нержавеющая сталь |
| Уплотнения | VITON | ||
| Температура рабочей среды | −10…+120°С | ||
| Рабочее давление | 0...0,9 МПа | ||
| Диаметр условного прохода | 15...25 мм | 15...50 мм | |
| Присоединение | Резьбовое G½"...G2" | ||
| Питание | ~380 В, ~220 В, ~110 В, ~36 В, ~24 В, =110 В, =24 В, =12 В, =6 В | ||
| Ду, мм | Катушка | Мощность | AC | DC | |||||||
| ~380 В | ~220 В | ~110 В | ~36 В | ~24 В | =110 В | =24 В | =12 В | =6 В | |||
| 15...25 | AS91HT IP54 | 20 ВА | V | V | V | ||||||
| 10 ВА | V | V | |||||||||
| 14 Вт | V | V | V | ||||||||
| ASE41H** IP65 | 5 ВА | V | |||||||||
| 7,5 Вт | V | ||||||||||
| 40...50* | AS71H IP65 | 17 ВА | V | V | V | ||||||
| 23 Вт | V | V | V | ||||||||
*Только для модификации с корпусом из нержавеющей стали.
**Использование энергосберегающей катушки ASE41H позволяет снизить температуру нагрева катушки и тем самым продлить срок ее службы в несколько раз
Модификации
| Модель | Ду, мм | Kv, м³/ч | Присоединение | Pmin, МПа | Pmax, МПа |
| AR-2W42-15-1/2-GYV | 15 | 3,8 | ½" | 0,0 | 0,9 |
| AR-2W42-20-3/4-GYV | 20 | 8 | ¾" | ||
| AR-2W42-25-1-GYV | 25 | 10 | 1" | ||
| AR-2W42-40-1.1/2-GSV | 40 | 27 | 1½" | ||
| AR-2W42-50-2-GSV | 50 | 31 | 2" |
Расшифровка обозначения на примере клапана AR-2W42-15-1/2-XYZ:
AR-2W42 – модель клапана.
15 – Ду, мм (диаметр условного отверстия).
X – присоединение: G – трубная резьба.
Y – материал корпуса: B – латунь, S – нержавеющая сталь.
Z – материал уплотнения: V – VITON.
Все модификации
| Артикул | Диаметр условного прохода, мм | Материал корпуса | Модель катушки | Питание, В | Срок поставки | Стоимость |
|---|---|---|---|---|---|---|
| O39687 | 15 | Латунь | AS91HT | ~380 | Со склада (комплектация 1..72 часа) | 4905 руб. |
| O39693 | 15 | Латунь | AS91HT | ~220 | Со склада | 4805 руб. |
| O39707 | 15 | Латунь | AS91HT | ~110 | Со склада (комплектация 1..72 часа) | 4905 руб. |
| O39715 | 15 | Латунь | AS91HT | ~36 | Со склада (комплектация 1..72 часа) | 4905 руб. |
| O39721 | 15 | Латунь | AS91HT | ~24 | Со склада (комплектация 1..72 часа) | 4905 руб. |
| O39731 | 15 | Латунь | AS91HT | =24 | Со склада | 4905 руб. |
| O39745 | 15 | Латунь | AS91HT | =12 | Со склада (комплектация 1..72 часа) | 4905 руб. |
| O39753 | 15 | Латунь | AS91HT | =6 | Со склада (комплектация 1..72 часа) | 4905 руб. |
| O39699 | 15 | Латунь | ASE41H | ~220 | Со склада (комплектация 1..72 часа) | 5680 руб. |
| O39737 | 15 | Латунь | ASE41H | =24 | Со склада (комплектация 1..72 часа) | 5780 руб. |
| O39690 | 15 | Нержав.сталь | AS91HT | ~380 | Со склада (комплектация 1..72 часа) | 5463 руб. |
| O39696 | 15 | Нержав.сталь | AS91HT | ~220 | Со склада | 5363 руб. |
| O39710 | 15 | Нержав.сталь | AS91HT | ~110 | Со склада (комплектация 1..72 часа) | 5463 руб. |
| O39718 | 15 | Нержав.сталь | AS91HT | ~36 | Со склада (комплектация 1..72 часа) | 5463 руб. |
| O39724 | 15 | Нержав.сталь | AS91HT | ~24 | Со склада (комплектация 1..72 часа) | 5463 руб. |
| O39734 | 15 | Нержав.сталь | AS91HT | =24 | Со склада (комплектация 1..72 часа) | 5463 руб. |
| O39748 | 15 | Нержав.сталь | AS91HT | =12 | Со склада (комплектация 1..72 часа) | 5463 руб. |
| O39756 | 15 | Нержав.сталь | AS91HT | =6 | Со склада (комплектация 1..72 часа) | 5463 руб. |
| O39702 | 15 | Нержав.сталь | ASE41H | ~220 | Со склада (комплектация 1..72 часа) | 6238 руб. |
| O39740 | 15 | Нержав.сталь | ASE41H | =24 | Со склада (комплектация 1..72 часа) | 6338 руб. |
| O39688 | 20 | Латунь | AS91HT | ~380 | Со склада (комплектация 1..72 часа) | 5357 руб. |
| O39694 | 20 | Латунь | AS91HT | ~220 | Со склада | 5257 руб. |
| O39708 | 20 | Латунь | AS91HT | ~110 | Со склада (комплектация 1..72 часа) | 5357 руб. |
| O39716 | 20 | Латунь | AS91HT | ~36 | Со склада (комплектация 1..72 часа) | 5357 руб. |
| O39722 | 20 | Латунь | AS91HT | ~24 | Со склада (комплектация 1..72 часа) | 5357 руб. |
| O39732 | 20 | Латунь | AS91HT | =24 | Со склада (комплектация 1..72 часа) | 5357 руб. |
| O39746 | 20 | Латунь | AS91HT | =12 | Со склада (комплектация 1..72 часа) | 5357 руб. |
| O39754 | 20 | Латунь | AS91HT | =6 | Со склада (комплектация 1..72 часа) | 5357 руб. |
| O39700 | 20 | Латунь | ASE41H | ~220 | Со склада (комплектация 1..72 часа) | 6132 руб. |
| O39738 | 20 | Латунь | ASE41H | =24 | Со склада (комплектация 1..72 часа) | 6232 руб. |
| O39691 | 20 | Нержав.сталь | AS91HT | ~380 | Со склада (комплектация 1..72 часа) | 5677 руб. |
| O39697 | 20 | Нержав.сталь | AS91HT | ~220 | Со склада | 5577 руб. |
| O39711 | 20 | Нержав.сталь | AS91HT | ~110 | Со склада (комплектация 1..72 часа) | 5677 руб. |
| O39719 | 20 | Нержав.сталь | AS91HT | ~36 | Со склада (комплектация 1..72 часа) | 5677 руб. |
| O39725 | 20 | Нержав.сталь | AS91HT | ~24 | Со склада (комплектация 1..72 часа) | 5677 руб. |
| O39735 | 20 | Нержав.сталь | AS91HT | =24 | Со склада (комплектация 1..72 часа) | 5677 руб. |
| O39749 | 20 | Нержав.сталь | AS91HT | =12 | Со склада (комплектация 1..72 часа) | 5677 руб. |
| O39757 | 20 | Нержав.сталь | AS91HT | =6 | Со склада (комплектация 1..72 часа) | 5677 руб. |
| O39703 | 20 | Нержав.сталь | ASE41H | ~220 | Со склада (комплектация 1..72 часа) | 6452 руб. |
| O39741 | 20 | Нержав.сталь | ASE41H | =24 | Со склада (комплектация 1..72 часа) | 6552 руб. |
| O39689 | 25 | Латунь | AS91HT | ~380 | Со склада (комплектация 1..72 часа) | 6878 руб. |
| O39695 | 25 | Латунь | AS91HT | ~220 | Со склада | 6778 руб. |
| O39709 | 25 | Латунь | AS91HT | ~110 | Со склада (комплектация 1..72 часа) | 6878 руб. |
| O39717 | 25 | Латунь | AS91HT | ~36 | Со склада (комплектация 1..72 часа) | 6878 руб. |
| O39723 | 25 | Латунь | AS91HT | ~24 | Со склада (комплектация 1..72 часа) | 6878 руб. |
| O39733 | 25 | Латунь | AS91HT | =24 | Со склада | 6878 руб. |
| O39747 | 25 | Латунь | AS91HT | =12 | Со склада (комплектация 1..72 часа) | 6878 руб. |
| O39755 | 25 | Латунь | AS91HT | =6 | Со склада (комплектация 1..72 часа) | 6878 руб. |
| O39701 | 25 | Латунь | ASE41H | ~220 | Со склада (комплектация 1..72 часа) | 7653 руб. |
| O39739 | 25 | Латунь | ASE41H | =24 | Со склада (комплектация 1..72 часа) | 7753 руб. |
| O39692 | 25 | Нержав.сталь | AS91HT | ~380 | Со склада (комплектация 1..72 часа) | 7822 руб. |
| O39698 | 25 | Нержав.сталь | AS91HT | ~220 | Со склада | 7722 руб. |
| O39712 | 25 | Нержав.сталь | AS91HT | ~110 | Со склада (комплектация 1..72 часа) | 7822 руб. |
| O39720 | 25 | Нержав.сталь | AS91HT | ~36 | Со склада (комплектация 1..72 часа) | 7822 руб. |
| O39726 | 25 | Нержав.сталь | AS91HT | ~24 | Со склада (комплектация 1..72 часа) | 7822 руб. |
| O39736 | 25 | Нержав.сталь | AS91HT | =24 | Со склада (комплектация 1..72 часа) | 7822 руб. |
| O39750 | 25 | Нержав.сталь | AS91HT | =12 | Со склада (комплектация 1..72 часа) | 7822 руб. |
| O39758 | 25 | Нержав.сталь | AS91HT | =6 | Со склада (комплектация 1..72 часа) | 7822 руб. |
| O39704 | 25 | Нержав.сталь | ASE41H | ~220 | Со склада (комплектация 1..72 часа) | 8597 руб. |
| O39742 | 25 | Нержав.сталь | ASE41H | =24 | Со склада (комплектация 1..72 часа) | 8697 руб. |
| O39705 | 40 | Нержав.сталь | AS71H | ~220 | Со склада | 14372 руб. |
| O39713 | 40 | Нержав.сталь | AS71H | ~110 | Со склада (комплектация 1..72 часа) | 14472 руб. |
| O39727 | 40 | Нержав.сталь | AS71H | ~24 | Со склада (комплектация 1..72 часа) | 14472 руб. |
| O39729 | 40 | Нержав.сталь | AS71H | =110 | Со склада (комплектация 1..72 часа) | 14472 руб. |
| O39743 | 40 | Нержав.сталь | AS71H | =24 | Со склада (комплектация 1..72 часа) | 14472 руб. |
| O39751 | 40 | Нержав.сталь | AS71H | =12 | Со склада (комплектация 1..72 часа) | 14472 руб. |
| O39706 | 50 | Нержав.сталь | AS71H | ~220 | Со склада | 21236 руб. |
| O39714 | 50 | Нержав.сталь | AS71H | ~110 | Со склада (комплектация 1..72 часа) | 21336 руб. |
| O39728 | 50 | Нержав.сталь | AS71H | ~24 | Со склада (комплектация 1..72 часа) | 21336 руб. |
| O39730 | 50 | Нержав.сталь | AS71H | =110 | Со склада (комплектация 1..72 часа) | 21336 руб. |
| O39744 | 50 | Нержав.сталь | AS71H | =24 | Со склада (комплектация 1..72 часа) | 21336 руб. |
| O39752 | 50 | Нержав.сталь | AS71H | =12 | Со склада (комплектация 1..72 часа) | 21336 руб. |
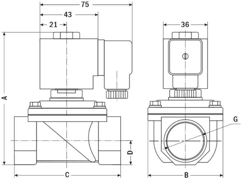
| Габаритные размеры |
![]() |
| AR-2W42-15...25 |
![]() |
| AR-2W42-40...50 |
| Размер, мм | AR-2W42, Ду, мм | |||||||
| 15 | 20 | 25 | 40 | 50 | ||||
| Материал корпуса | Латунь | Сталь | Латунь | Сталь | Латунь | Сталь | Сталь | Сталь |
| A | 100 | 105 | 113 | 152 | 170 | |||
| B | 50 | 50 | 61 | 86 | 100 | |||
| C | 66 | 66 | 86 | 110 | 137 | |||
| D | 13 | 16 | 19,5 | 27,5 | 35 | |||
| 5G | ½" | ¾" | 1" | 1½" | 2" | |||
| Вес, г | 620 | 612 | 674 | 621 | 873 | 844 | 2024 | 3106 |
Документация и схемы
| Документ | Дата изменения | Размер | Файл |
| Руководство по эксплуатации | 01.07.2024 | 0.55 Мб | ![]() |


