Клапан бистабильный AR-YCL51
Клапан соленоидный бистабильный прямого действия с поршнем AR-YCL51 предназначен для управления потоком рабочей среды в трубопроводе
Особенности:
- Отсутствие перегрева, долгий строк службы
- Работа при высоком давлении до 4 МПа
- Срабатывание при нулевом давлении
- Нулевое потребление энергии в конечных положениях, энергия тратится только на переключение положения
- Только на постоянное напряжение
- Наружная резьба
- Компактный размер
Принцип действия и область применения
Бистабильные клапаны имеют два устойчивых положения: «Открыто» и «Закрыто». Переключение между ними осуществляется последовательно, подачей короткого импульса на катушку клапана. Особенностью управления является необходимость подачи импульсов противоположной полярности, поэтому бистабильные клапаны работают только от источников постоянного тока. Для удержания открытого или закрытого положения подавать напряжение на катушку не требуется! Благодаря этому эти клапаны обеспечивают нулевое потребление энергии (кроме моментов переключения) и исключительно долгий срок службы из-за отсутствия перегрева катушки.
В большинстве случаев подходят для эксплуатации в системах, где либо требуется частое открытие-закрытие клапанов либо важно при отключении питания обеспечить бесперебойную работу оборудования и не допустить остановки технологического процесса.
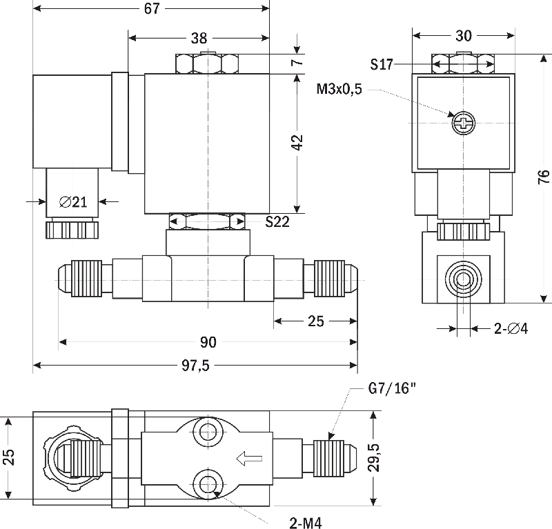
Для присоединения к трубопроводу рекомендуется использовать трубку присоединительную капиллярную ТСТ-900-7/16. Также можно выполнить присоединение с помощью переходника под расклепку ПТР 7/16 и развальцованной капиллярной трубки диаметром 6,5 мм, нужной длины и конфигурации. Для этого на капиллярную трубку предварительно надеть переходник ПТР. Развальцевать и подвести конец трубки к штуцеру клапана. Затем привернуть переходник, обеспечив затяжкой плотное прилегание трубки.
Для защиты клапана от попадания инородных частиц необходима установка фильтра механической очистки перед входным отверстием соленоидного клапана.
Для герметизации резьбовых металлических соединений рекомендуется использование анаэробных герметиков.
Технические характеристики
| Параметр | Значение | |||
| Рабочая среда | Вода, горячая вода, воздух | |||
| Материал | Корпуса | Латунь | ||
| Уплотнения | EPDM | |||
| Температура рабочей среды | −30...+150°С | |||
| Рабочее давление | 0,0...4,0 МПа | |||
| Диаметр условного прохода | 2 мм | |||
| Присоединение | Резьбовое наруж. G7/16" | |||
| Катушка | L11B, IP65 | |||
| Питание | =24 В, =12 В, =6 В | |||
| Мощность | 10 Вт (DC) | |||
Модификации
| Модель | Ду, мм | Kv, м³/ч | Присоединение | Pmin, МПа | Pmax, МПа | Вес, г |
| AR-YCL51-2-7/16-GBE | 2 | 0,15 | наруж. 7/16" | 0,0 | 4,0 | 378 |
Расшифровка обозначения на примере клапана AR-YCL51-2-7/16-XYZ:
AR-YCL51– модель клапана.
2 – диаметр условного прохода в мм.
7/16 – размер резьбы в дюймах.
X – присоединение: G – трубная резьба.
Y – материал корпуса: В – латунь.
Z – материал уплотнения: E – EPDM.
Все модификации
| Артикул | Питание, В | Срок поставки | Стоимость |
|---|---|---|---|
| N52962 | =24 | Со склада (комплектация 1..72 часа) | 6916 руб. |
| N52963 | =12 | Со склада | 6916 руб. |
| N52964 | =6 | Со склада (комплектация 1..72 часа) | 6916 руб. |
| Габаритные размеры |
![]() |
Документация и схемы
| Документ | Дата изменения | Размер | Файл |
| Руководство по эксплуатации | 26.07.2023 | 0.47 Мб | ![]() |


