Поплавковый датчик уровня взрывозащищенный ОВЕН ПДУ-1.2-EX
Поплавковые датчики уровня ОВЕН ПДУ-1.2-Ех с взрывозащитой типа «искробезопасная цепь» 0Ex ia IIC T4...T6 Ga X предназначены для эксплуатации на взрывоопасных производствах или в помещениях и установках, в которых находятся емкости с взрывоопасными средами: всевозможными видами топлива, стоками нефтеперерабатывающих заводов, автопредприятий, химических производств и т.п.
Меры безопасности
Датчики во взрывозащищенном исполнении соответствуют требованиям ГОСТ 30852.0-2002, ГОСТ 30852.10-2002, имеют маркировку взрывозащиты 0ExiaIICT4Х и могут размещаться во взрывоопасных зонах категории IIC. Знак «Х» в конце маркировки взрывозащиты означает, что подключение датчиков ПДУ-Еx к внешним цепям должно производиться через искробезопасные барьеры с соответствующими искробезопасными параметрами и имеющими действующие сертификаты соответствия требованиям ТР ТС 012/2011.
Эксплуатация датчиков во взрывозащищенном исполнении допускается только совместно с искробезопасным оборудованием, имеющим маркировку взрывозащиты [Exia]IIC и выходные искробезопасные цепи с параметрами: U0 ≤ Ui, I0 ≤ Ii, С0 ≥ Ci + СК, L0 ≥ Li + LК (где СК и LК – емкость и индуктивность соединительных кабелей соответственно).
| Варианты крепления датчика уровня ПДУ |
![]() |
Датчики ОВЕН ПДУ производятся с нормально-разомкнутым и нормально-замкнутым контактом.
| Варианты исполнения контактов ОВЕН ПДУ | |
![]() | ![]() |
| ПДУ с нормально-разомкнутым контактом | ПДУ с нормально-замкнутым контактом |
Повышение уровня жидкости в резервуаре приводит к перемещению поплавка вверх и замыканию/размыканию контакта датчика уровня.
Технические характеристики
| Параметр | Значение |
| Электрические параметры | |
| Количество сигнализируемых уровней | 2 |
| Максимальная коммутируемая мощность | 10 Вт |
| Максимальный коммутируемый ток | 0,5 А |
| Максимальное коммутируемое напряжение | 180 В |
| Количество срабатываний при напряжении коммутации постоянного тока 24 В и токе 0,25 А | 1 млн |
| Конструктивные параметры | |
| Расположение оси крепежного отверстия датчика в резервуаре | Горизонтальное |
| Максимальная длина штока до нижнего уровня L | 2500 мм |
| Плотность измеряемой среды | 0,7 г/см3 |
| Температура контролируемой среды | -40...+105°С |
| Давление контролируемой среды | 1,6 МПа |
| Материал рабочей части датчика: арматура поплавок | Сталь 12Х18Н10Т AISI 316L |
| Степень защиты по ГОСТ 14254 | IP68 для погружной (рабочей) части датчика IP65 для внешней части датчика (от плоскости присоединения к процессу) |
| Длина кабельного вывода | 1...120 м |
| Искробезопасные параметры | |
| Максимальное входное напряжение Ui | 35 В |
| Максимальный входной ток Ii | 100 мА |
| Максимальная внутренняя емкость Ci | 0,03 мкФ |
| Максимальная внутренняя индуктивность Li | 0,3 мГн |
Все модификации
| Артикул | Длина штока до нижнего уровня, мм | Логика работы контакта нижнего уровня | Длина штока до верхнего уровня | Логика работы контакта верхнего уровня | Длина кабельного вывода, мм | Срок поставки | Стоимость |
|---|---|---|---|---|---|---|---|
| N52543 | 200 | НО | 50 | НО | 1000 | 2...4 недели | 3817 руб. |
| N52544 | 250 | НО | 50 | НО | 1000 | 2...4 недели | 3817 руб. |
| N52545 | 300 | НО | 50 | НО | 1000 | 2...4 недели | 3817 руб. |
| N52546 | 600 | НО | 50 | НО | 1000 | 2...4 недели | 3817 руб. |
| N52547 | 800 | НО | 50 | НО | 1000 | 2...4 недели | 4557 руб. |
| N52548 | 1000 | НО | 50 | НО | 1000 | 2...4 недели | 3817 руб. |
| N52549 | 200 | НЗ | 50 | НО | 1000 | 2...4 недели | 3817 руб. |
| N52550 | 250 | НЗ | 50 | НО | 1000 | 2...4 недели | 3817 руб. |
| N52551 | 300 | НЗ | 50 | НО | 1000 | 2...4 недели | 3817 руб. |
| N52552 | 600 | НЗ | 50 | НО | 1000 | 2...4 недели | 3817 руб. |
| N52553 | 800 | НЗ | 50 | НО | 1000 | 2...4 недели | 3817 руб. |
| N52554 | 1000 | НЗ | 50 | НО | 1000 | 2...4 недели | 3817 руб. |
| N52555 | 200 | НО | 100 | НО | 1000 | 2...4 недели | 3817 руб. |
| N52556 | 200 | НЗ | 100 | НО | 1000 | 2...4 недели | 3817 руб. |
| N52557 | 250 | НО | 150 | НО | 1000 | 2...4 недели | 3817 руб. |
| N52558 | 300 | НО | 150 | НО | 1000 | 2...4 недели | 3817 руб. |
| N52559 | 600 | НО | 150 | НО | 1000 | 2...4 недели | 4557 руб. |
| N52560 | 250 | НЗ | 150 | НО | 1000 | 2...4 недели | 3817 руб. |
| N52561 | 300 | НЗ | 150 | НО | 1000 | 2...4 недели | 3817 руб. |
| N52562 | 600 | НЗ | 150 | НО | 1000 | 2...4 недели | 4557 руб. |
| N52563 | 800 | НО | 200 | НО | 1000 | 2...4 недели | 4557 руб. |
| N52564 | 800 | НЗ | 200 | НО | 1000 | 2...4 недели | 4557 руб. |
| N52565 | 1000 | НО | 500 | НО | 1000 | 2...4 недели | 4557 руб. |
| N52566 | 1000 | НЗ | 500 | НО | 1000 | 2...4 недели | 4557 руб. |
| N52567 | 200 | НО | 50 | НЗ | 1000 | 2...4 недели | 3817 руб. |
| N52568 | 250 | НО | 50 | НЗ | 1000 | 2...4 недели | 3817 руб. |
| N52569 | 300 | НО | 50 | НЗ | 1000 | 2...4 недели | 3817 руб. |
| N52570 | 600 | НО | 50 | НЗ | 1000 | 2...4 недели | 4557 руб. |
| N52571 | 800 | НО | 50 | НЗ | 1000 | 2...4 недели | 4557 руб. |
| N52572 | 1000 | НО | 50 | НЗ | 1000 | 2...4 недели | 4557 руб. |
| N52573 | 200 | НЗ | 50 | НЗ | 1000 | 2...4 недели | 3817 руб. |
| N52574 | 250 | НЗ | 50 | НЗ | 1000 | 2...4 недели | 3817 руб. |
| N52575 | 300 | НЗ | 50 | НЗ | 1000 | 2...4 недели | 3817 руб. |
| N52576 | 600 | НЗ | 50 | НЗ | 1000 | 2...4 недели | 4557 руб. |
| N52577 | 800 | НЗ | 50 | НЗ | 1000 | 2...4 недели | 4557 руб. |
| N52578 | 1000 | НЗ | 50 | НЗ | 1000 | 2...4 недели | 4557 руб. |
| N52579 | 200 | НО | 100 | НЗ | 1000 | 2...4 недели | 3817 руб. |
| N52580 | 200 | НЗ | 100 | НЗ | 1000 | 2...4 недели | 3817 руб. |
| N52581 | 250 | НО | 150 | НЗ | 1000 | 2...4 недели | 3817 руб. |
| N52582 | 300 | НО | 150 | НЗ | 1000 | 2...4 недели | 3817 руб. |
| N52583 | 600 | НО | 150 | НЗ | 1000 | 2...4 недели | 4557 руб. |
| N52584 | 250 | НЗ | 150 | НЗ | 1000 | 2...4 недели | 3817 руб. |
| N52585 | 300 | НЗ | 150 | НЗ | 1000 | 2...4 недели | 3817 руб. |
| N52586 | 600 | НЗ | 150 | НЗ | 1000 | 2...4 недели | 4557 руб. |
| N52587 | 800 | НО | 200 | НЗ | 1000 | 2...4 недели | 4557 руб. |
| N52588 | 800 | НЗ | 200 | НЗ | 1000 | 2...4 недели | 4557 руб. |
| N52589 | 1000 | НО | 500 | НЗ | 1000 | 2...4 недели | 4557 руб. |
| N52590 | 1000 | НЗ | 500 | НЗ | 1000 | 2...4 недели | 4557 руб. |
| N52591 | 200 | НО | 50 | НО | 2000 | 2...4 недели | 4054 руб. |
| N52592 | 250 | НО | 50 | НО | 2000 | 2...4 недели | 4054 руб. |
| N52593 | 300 | НО | 50 | НО | 2000 | 2...4 недели | 4054 руб. |
| N52594 | 600 | НО | 50 | НО | 2000 | 2...4 недели | 4794 руб. |
| N52595 | 800 | НО | 50 | НО | 2000 | 2...4 недели | 4794 руб. |
| N52596 | 1000 | НО | 50 | НО | 2000 | 2...4 недели | 4794 руб. |
| N52597 | 200 | НЗ | 50 | НО | 2000 | 2...4 недели | 4054 руб. |
| N52598 | 250 | НЗ | 50 | НО | 2000 | 2...4 недели | 4054 руб. |
| N52599 | 300 | НЗ | 50 | НО | 2000 | 2...4 недели | 4054 руб. |
| N52600 | 600 | НЗ | 50 | НО | 2000 | 2...4 недели | 4794 руб. |
| N52601 | 800 | НЗ | 50 | НО | 2000 | 2...4 недели | 4794 руб. |
| N52602 | 1000 | НЗ | 50 | НО | 2000 | 2...4 недели | 4794 руб. |
| N52603 | 200 | НО | 100 | НО | 2000 | 2...4 недели | 4054 руб. |
| N52604 | 200 | НЗ | 100 | НО | 2000 | 2...4 недели | 4054 руб. |
| N52605 | 250 | НО | 150 | НО | 2000 | 2...4 недели | 4054 руб. |
| N52606 | 300 | НО | 150 | НО | 2000 | 2...4 недели | 4054 руб. |
| N52607 | 600 | НО | 150 | НО | 2000 | 2...4 недели | 4794 руб. |
| N52608 | 250 | НЗ | 150 | НО | 2000 | 2...4 недели | 4054 руб. |
| N52609 | 300 | НЗ | 150 | НО | 2000 | 2...4 недели | 4054 руб. |
| N52610 | 600 | НЗ | 150 | НО | 2000 | 2...4 недели | 4794 руб. |
| N52611 | 800 | НО | 200 | НО | 2000 | 2...4 недели | 4794 руб. |
| N52612 | 800 | НЗ | 200 | НО | 2000 | 2...4 недели | 4794 руб. |
| N52613 | 1000 | НО | 500 | НО | 2000 | 2...4 недели | 4794 руб. |
| N52614 | 1000 | НЗ | 500 | НО | 2000 | 2...4 недели | 4794 руб. |
| N52615 | 200 | НО | 50 | НЗ | 2000 | 2...4 недели | 4054 руб. |
| N52616 | 250 | НО | 50 | НЗ | 2000 | 2...4 недели | 4054 руб. |
| N52617 | 300 | НО | 50 | НЗ | 2000 | 2...4 недели | 4054 руб. |
| N52618 | 600 | НО | 50 | НЗ | 2000 | 2...4 недели | 4794 руб. |
| N52619 | 800 | НО | 50 | НЗ | 2000 | 2...4 недели | 4794 руб. |
| N52620 | 1000 | НО | 50 | НЗ | 2000 | 2...4 недели | 4794 руб. |
| N52621 | 200 | НЗ | 50 | НЗ | 2000 | 2...4 недели | 4054 руб. |
| N52622 | 250 | НЗ | 50 | НЗ | 2000 | 2...4 недели | 4054 руб. |
| N52623 | 300 | НЗ | 50 | НЗ | 2000 | 2...4 недели | 4054 руб. |
| N52624 | 600 | НЗ | 50 | НЗ | 2000 | 2...4 недели | 4794 руб. |
| N52625 | 800 | НЗ | 50 | НЗ | 2000 | 2...4 недели | 4794 руб. |
| N52626 | 1000 | НЗ | 50 | НЗ | 2000 | 2...4 недели | 4794 руб. |
| N52627 | 200 | НО | 100 | НЗ | 2000 | 2...4 недели | 4054 руб. |
| N52628 | 200 | НЗ | 100 | НЗ | 2000 | 2...4 недели | 4054 руб. |
| N52629 | 250 | НО | 150 | НЗ | 2000 | 2...4 недели | 4054 руб. |
| N52630 | 300 | НО | 150 | НЗ | 2000 | 2...4 недели | 4054 руб. |
| N52631 | 600 | НО | 150 | НЗ | 2000 | 2...4 недели | 4794 руб. |
| N52632 | 250 | НЗ | 150 | НЗ | 2000 | 2...4 недели | 4054 руб. |
| N52633 | 300 | НЗ | 150 | НЗ | 2000 | 2...4 недели | 4054 руб. |
| N52634 | 600 | НЗ | 150 | НЗ | 2000 | 2...4 недели | 4794 руб. |
| N52635 | 800 | НО | 200 | НЗ | 2000 | 2...4 недели | 4794 руб. |
| N52636 | 800 | НЗ | 200 | НЗ | 2000 | 2...4 недели | 4794 руб. |
| N52637 | 1000 | НО | 500 | НЗ | 2000 | 2...4 недели | 4794 руб. |
| N52638 | 1000 | НЗ | 500 | НЗ | 2000 | 2...4 недели | 4794 руб. |
| N52639 | 200 | НО | 50 | НО | 3000 | 2...4 недели | 4291 руб. |
| N52640 | 250 | НО | 50 | НО | 3000 | 2...4 недели | 4291 руб. |
| N52641 | 300 | НО | 50 | НО | 3000 | 2...4 недели | 4291 руб. |
| N52642 | 600 | НО | 50 | НО | 3000 | 2...4 недели | 5031 руб. |
| N52643 | 800 | НО | 50 | НО | 3000 | 2...4 недели | 5031 руб. |
| N52644 | 1000 | НО | 50 | НО | 3000 | 2...4 недели | 5031 руб. |
| N52645 | 200 | НЗ | 50 | НО | 3000 | 2...4 недели | 4291 руб. |
| N52646 | 250 | НЗ | 50 | НО | 3000 | 2...4 недели | 4291 руб. |
| N52647 | 300 | НЗ | 50 | НО | 3000 | 2...4 недели | 4291 руб. |
| N52648 | 600 | НЗ | 50 | НО | 3000 | 2...4 недели | 5031 руб. |
| N52649 | 800 | НЗ | 50 | НО | 3000 | 2...4 недели | 5031 руб. |
| N52650 | 1000 | НЗ | 50 | НО | 3000 | 2...4 недели | 5031 руб. |
| N52651 | 200 | НО | 100 | НО | 3000 | 2...4 недели | 4291 руб. |
| N52652 | 200 | НЗ | 100 | НО | 3000 | 2...4 недели | 4291 руб. |
| N52653 | 250 | НО | 150 | НО | 3000 | 2...4 недели | 4291 руб. |
| N52654 | 300 | НО | 150 | НО | 3000 | 2...4 недели | 4291 руб. |
| N52655 | 600 | НО | 150 | НО | 3000 | 2...4 недели | 5031 руб. |
| N52656 | 250 | НЗ | 150 | НО | 3000 | 2...4 недели | 4291 руб. |
| N52657 | 300 | НЗ | 150 | НО | 3000 | 2...4 недели | 4291 руб. |
| N52658 | 600 | НЗ | 150 | НО | 3000 | 2...4 недели | 5031 руб. |
| N52659 | 800 | НО | 200 | НО | 3000 | 2...4 недели | 5031 руб. |
| N52660 | 800 | НЗ | 200 | НО | 3000 | 2...4 недели | 5031 руб. |
| N52661 | 1000 | НО | 500 | НО | 3000 | 2...4 недели | 5031 руб. |
| N52662 | 1000 | НЗ | 500 | НО | 3000 | 2...4 недели | 5031 руб. |
| N52663 | 200 | НО | 50 | НЗ | 3000 | 2...4 недели | 4291 руб. |
| N52664 | 250 | НО | 50 | НЗ | 3000 | 2...4 недели | 4291 руб. |
| N52665 | 300 | НО | 50 | НЗ | 3000 | 2...4 недели | 4291 руб. |
| N52666 | 600 | НО | 50 | НЗ | 3000 | 2...4 недели | 5031 руб. |
| N52667 | 800 | НО | 50 | НЗ | 3000 | 2...4 недели | 5031 руб. |
| N52668 | 1000 | НО | 50 | НЗ | 3000 | 2...4 недели | 5031 руб. |
| N52669 | 200 | НЗ | 50 | НЗ | 3000 | 2...4 недели | 4291 руб. |
| N52670 | 250 | НЗ | 50 | НЗ | 3000 | 2...4 недели | 4291 руб. |
| N52671 | 300 | НЗ | 50 | НЗ | 3000 | 2...4 недели | 4291 руб. |
| N52672 | 600 | НЗ | 50 | НЗ | 3000 | 2...4 недели | 5031 руб. |
| N52673 | 800 | НЗ | 50 | НЗ | 3000 | 2...4 недели | 5031 руб. |
| N52674 | 1000 | НЗ | 50 | НЗ | 3000 | 2...4 недели | 5031 руб. |
| N52675 | 200 | НО | 100 | НЗ | 3000 | 2...4 недели | 4291 руб. |
| N52676 | 200 | НЗ | 100 | НЗ | 3000 | 2...4 недели | 4291 руб. |
| N52677 | 250 | НО | 150 | НЗ | 3000 | 2...4 недели | 4291 руб. |
| N52678 | 300 | НО | 150 | НЗ | 3000 | 2...4 недели | 4291 руб. |
| N52679 | 600 | НО | 150 | НЗ | 3000 | 2...4 недели | 5031 руб. |
| N52680 | 250 | НЗ | 150 | НЗ | 3000 | 2...4 недели | 4291 руб. |
| N52681 | 300 | НЗ | 150 | НЗ | 3000 | 2...4 недели | 4291 руб. |
| N52682 | 600 | НЗ | 150 | НЗ | 3000 | 2...4 недели | 5031 руб. |
| N52683 | 800 | НО | 200 | НЗ | 3000 | 2...4 недели | 5031 руб. |
| N52684 | 800 | НЗ | 200 | НЗ | 3000 | 2...4 недели | 5031 руб. |
| N52685 | 1000 | НО | 500 | НЗ | 3000 | 2...4 недели | 5031 руб. |
| N52686 | 1000 | НЗ | 500 | НЗ | 3000 | 2...4 недели | 5031 руб. |
| N52687 | 200 | НО | 50 | НО | 20000 | 2...4 недели | 8320 руб. |
| N52688 | 250 | НО | 50 | НО | 20000 | 2...4 недели | 8320 руб. |
| N52689 | 300 | НО | 50 | НО | 20000 | 2...4 недели | 8320 руб. |
| N52690 | 600 | НО | 50 | НО | 20000 | 2...4 недели | 9060 руб. |
| N52691 | 800 | НО | 50 | НО | 20000 | 2...4 недели | 9060 руб. |
| N52692 | 1000 | НО | 50 | НО | 20000 | 2...4 недели | 9060 руб. |
| N52693 | 200 | НЗ | 50 | НО | 20000 | 2...4 недели | 8320 руб. |
| N52694 | 250 | НЗ | 50 | НО | 20000 | 2...4 недели | 8320 руб. |
| N52695 | 300 | НЗ | 50 | НО | 20000 | 2...4 недели | 8320 руб. |
| N52696 | 600 | НЗ | 50 | НО | 20000 | 2...4 недели | 9060 руб. |
| N52697 | 800 | НЗ | 50 | НО | 20000 | 2...4 недели | 9060 руб. |
| N52698 | 1000 | НЗ | 50 | НО | 20000 | 2...4 недели | 9060 руб. |
| N52699 | 200 | НО | 100 | НО | 20000 | 2...4 недели | 8320 руб. |
| N52700 | 200 | НЗ | 100 | НО | 20000 | 2...4 недели | 8320 руб. |
| N52701 | 250 | НО | 150 | НО | 20000 | 2...4 недели | 8320 руб. |
| N52702 | 300 | НО | 150 | НО | 20000 | 2...4 недели | 8320 руб. |
| N52703 | 600 | НО | 150 | НО | 20000 | 2...4 недели | 9060 руб. |
| N52704 | 250 | НЗ | 150 | НО | 20000 | 2...4 недели | 8320 руб. |
| N52705 | 300 | НЗ | 150 | НО | 20000 | 2...4 недели | 8320 руб. |
| N52706 | 600 | НЗ | 150 | НО | 20000 | 2...4 недели | 9060 руб. |
| N52707 | 800 | НО | 200 | НО | 20000 | 2...4 недели | 9060 руб. |
| N52708 | 800 | НЗ | 200 | НО | 20000 | 2...4 недели | 9060 руб. |
| N52709 | 1000 | НО | 500 | НО | 20000 | 2...4 недели | 9060 руб. |
| N52710 | 1000 | НЗ | 500 | НО | 20000 | 2...4 недели | 9060 руб. |
| N52711 | 200 | НО | 50 | НЗ | 20000 | 2...4 недели | 8320 руб. |
| N52712 | 250 | НО | 50 | НЗ | 20000 | 2...4 недели | 8320 руб. |
| N52713 | 300 | НО | 50 | НЗ | 20000 | 2...4 недели | 8320 руб. |
| N52714 | 600 | НО | 50 | НЗ | 20000 | 2...4 недели | 9060 руб. |
| N52715 | 800 | НО | 50 | НЗ | 20000 | 2...4 недели | 9060 руб. |
| N52716 | 1000 | НО | 50 | НЗ | 20000 | 2...4 недели | 9060 руб. |
| N52717 | 200 | НЗ | 50 | НЗ | 20000 | 2...4 недели | 8320 руб. |
| N52718 | 250 | НЗ | 50 | НЗ | 20000 | 2...4 недели | 8320 руб. |
| N52719 | 300 | НЗ | 50 | НЗ | 20000 | 2...4 недели | 8320 руб. |
| N52720 | 600 | НЗ | 50 | НЗ | 20000 | 2...4 недели | 9060 руб. |
| N52721 | 800 | НЗ | 50 | НЗ | 20000 | 2...4 недели | 9060 руб. |
| N52722 | 1000 | НЗ | 50 | НЗ | 20000 | 2...4 недели | 9060 руб. |
| N52723 | 200 | НО | 100 | НЗ | 20000 | 2...4 недели | 8320 руб. |
| N52724 | 200 | НЗ | 100 | НЗ | 20000 | 2...4 недели | 8320 руб. |
| N52725 | 250 | НО | 150 | НЗ | 20000 | 2...4 недели | 8320 руб. |
| N52726 | 300 | НО | 150 | НЗ | 20000 | 2...4 недели | 8320 руб. |
| N52727 | 600 | НО | 150 | НЗ | 20000 | 2...4 недели | 9060 руб. |
| N52728 | 250 | НЗ | 150 | НЗ | 20000 | 2...4 недели | 8320 руб. |
| N52729 | 300 | НЗ | 150 | НЗ | 20000 | 2...4 недели | 8320 руб. |
| N52730 | 600 | НЗ | 150 | НЗ | 20000 | 2...4 недели | 9060 руб. |
| N52731 | 800 | НО | 200 | НЗ | 20000 | 2...4 недели | 9060 руб. |
| N52732 | 800 | НЗ | 200 | НЗ | 20000 | 2...4 недели | 9060 руб. |
| N52733 | 1000 | НО | 500 | НЗ | 20000 | 2...4 недели | 9060 руб. |
| N52734 | 1000 | НЗ | 500 | НЗ | 20000 | 2...4 недели | 9060 руб. |
| N52735 | 200 | НО | 50 | НО | 30000 | 2...4 недели | 10690 руб. |
| N52736 | 250 | НО | 50 | НО | 30000 | 2...4 недели | 10690 руб. |
| N52737 | 300 | НО | 50 | НО | 30000 | 2...4 недели | 10690 руб. |
| N52738 | 600 | НО | 50 | НО | 30000 | 2...4 недели | 11430 руб. |
| N52739 | 800 | НО | 50 | НО | 30000 | 2...4 недели | 11430 руб. |
| N52740 | 1000 | НО | 50 | НО | 30000 | 2...4 недели | 11430 руб. |
| N52741 | 200 | НЗ | 50 | НО | 30000 | 2...4 недели | 10690 руб. |
| N52742 | 250 | НЗ | 50 | НО | 30000 | 2...4 недели | 10690 руб. |
| N52743 | 300 | НЗ | 50 | НО | 30000 | 2...4 недели | 10690 руб. |
| N52744 | 600 | НЗ | 50 | НО | 30000 | 2...4 недели | 11430 руб. |
| N52745 | 800 | НЗ | 50 | НО | 30000 | 2...4 недели | 11430 руб. |
| N52746 | 1000 | НЗ | 50 | НО | 30000 | 2...4 недели | 11430 руб. |
| N52747 | 200 | НО | 100 | НО | 30000 | 2...4 недели | 10690 руб. |
| N52748 | 200 | НЗ | 100 | НО | 30000 | 2...4 недели | 10690 руб. |
| N52749 | 250 | НО | 150 | НО | 30000 | 2...4 недели | 10690 руб. |
| N52750 | 300 | НО | 150 | НО | 30000 | 2...4 недели | 10690 руб. |
| N52751 | 600 | НО | 150 | НО | 30000 | 2...4 недели | 11430 руб. |
| N52752 | 250 | НЗ | 150 | НО | 30000 | 2...4 недели | 10690 руб. |
| N52753 | 300 | НЗ | 150 | НО | 30000 | 2...4 недели | 10690 руб. |
| N52754 | 600 | НЗ | 150 | НО | 30000 | 2...4 недели | 11430 руб. |
| N52755 | 800 | НО | 200 | НО | 30000 | 2...4 недели | 11430 руб. |
| N52756 | 800 | НЗ | 200 | НО | 30000 | 2...4 недели | 11430 руб. |
| N52757 | 1000 | НО | 500 | НО | 30000 | 2...4 недели | 11430 руб. |
| N52758 | 1000 | НЗ | 500 | НО | 30000 | 2...4 недели | 11430 руб. |
| N52759 | 200 | НО | 50 | НЗ | 30000 | 2...4 недели | 10690 руб. |
| N52760 | 250 | НО | 50 | НЗ | 30000 | 2...4 недели | 10690 руб. |
| N52761 | 300 | НО | 50 | НЗ | 30000 | 2...4 недели | 10690 руб. |
| N52762 | 600 | НО | 50 | НЗ | 30000 | 2...4 недели | 11430 руб. |
| N52763 | 800 | НО | 50 | НЗ | 30000 | 2...4 недели | 11430 руб. |
| N52764 | 1000 | НО | 50 | НЗ | 30000 | 2...4 недели | 11430 руб. |
| N52765 | 200 | НЗ | 50 | НЗ | 30000 | 2...4 недели | 10690 руб. |
| N52766 | 250 | НЗ | 50 | НЗ | 30000 | 2...4 недели | 10690 руб. |
| N52767 | 300 | НЗ | 50 | НЗ | 30000 | 2...4 недели | 10690 руб. |
| N52768 | 600 | НЗ | 50 | НЗ | 30000 | 2...4 недели | 11430 руб. |
| N52769 | 800 | НЗ | 50 | НЗ | 30000 | 2...4 недели | 11430 руб. |
| N52770 | 1000 | НЗ | 50 | НЗ | 30000 | 2...4 недели | 11430 руб. |
| N52771 | 200 | НО | 100 | НЗ | 30000 | 2...4 недели | 10690 руб. |
| N52772 | 200 | НЗ | 100 | НЗ | 30000 | 2...4 недели | 10690 руб. |
| N52773 | 250 | НО | 150 | НЗ | 30000 | 2...4 недели | 10690 руб. |
| N52774 | 300 | НО | 150 | НЗ | 30000 | 2...4 недели | 10690 руб. |
| N52775 | 600 | НО | 150 | НЗ | 30000 | 2...4 недели | 11430 руб. |
| N52776 | 250 | НЗ | 150 | НЗ | 30000 | 2...4 недели | 10690 руб. |
| N52777 | 300 | НЗ | 150 | НЗ | 30000 | 2...4 недели | 10690 руб. |
| N52778 | 600 | НЗ | 150 | НЗ | 30000 | 2...4 недели | 11430 руб. |
| N52779 | 800 | НО | 200 | НЗ | 30000 | 2...4 недели | 11430 руб. |
| N52780 | 800 | НЗ | 200 | НЗ | 30000 | 2...4 недели | 11430 руб. |
| N52781 | 1000 | НО | 500 | НЗ | 30000 | 2...4 недели | 11430 руб. |
| N52782 | 1000 | НЗ | 500 | НЗ | 30000 | 2...4 недели | 11430 руб. |
| N52783 | 200 | НО | 50 | НО | 60000 | 2...4 недели | 17800 руб. |
| N52784 | 250 | НО | 50 | НО | 60000 | 2...4 недели | 17800 руб. |
| N52785 | 300 | НО | 50 | НО | 60000 | 2...4 недели | 17800 руб. |
| N52786 | 600 | НО | 50 | НО | 60000 | 2...4 недели | 18540 руб. |
| N52787 | 800 | НО | 50 | НО | 60000 | 2...4 недели | 18540 руб. |
| N52788 | 1000 | НО | 50 | НО | 60000 | 2...4 недели | 18540 руб. |
| N52789 | 200 | НЗ | 50 | НО | 60000 | 2...4 недели | 17800 руб. |
| N52790 | 250 | НЗ | 50 | НО | 60000 | 2...4 недели | 17800 руб. |
| N52791 | 300 | НЗ | 50 | НО | 60000 | 2...4 недели | 17800 руб. |
| N52792 | 600 | НЗ | 50 | НО | 60000 | 2...4 недели | 18540 руб. |
| N52793 | 800 | НЗ | 50 | НО | 60000 | 2...4 недели | 18540 руб. |
| N52794 | 1000 | НЗ | 50 | НО | 60000 | 2...4 недели | 18540 руб. |
| N52795 | 200 | НО | 100 | НО | 60000 | 2...4 недели | 17800 руб. |
| N52796 | 200 | НЗ | 100 | НО | 60000 | 2...4 недели | 17800 руб. |
| N52797 | 250 | НО | 150 | НО | 60000 | 2...4 недели | 17800 руб. |
| N52798 | 300 | НО | 150 | НО | 60000 | 2...4 недели | 17800 руб. |
| N52799 | 600 | НО | 150 | НО | 60000 | 2...4 недели | 18540 руб. |
| N52800 | 250 | НЗ | 150 | НО | 60000 | 2...4 недели | 17800 руб. |
| N52801 | 300 | НЗ | 150 | НО | 60000 | 2...4 недели | 17800 руб. |
| N52802 | 600 | НЗ | 150 | НО | 60000 | 2...4 недели | 18540 руб. |
| N52803 | 800 | НО | 200 | НО | 60000 | 2...4 недели | 18540 руб. |
| N52804 | 800 | НЗ | 200 | НО | 60000 | 2...4 недели | 18540 руб. |
| N52805 | 1000 | НО | 500 | НО | 60000 | 2...4 недели | 18540 руб. |
| N52806 | 1000 | НЗ | 500 | НО | 60000 | 2...4 недели | 18540 руб. |
| N52807 | 200 | НО | 50 | НЗ | 60000 | 2...4 недели | 17800 руб. |
| N52808 | 250 | НО | 50 | НЗ | 60000 | 2...4 недели | 17800 руб. |
| N52809 | 300 | НО | 50 | НЗ | 60000 | 2...4 недели | 17800 руб. |
| N52810 | 600 | НО | 50 | НЗ | 60000 | 2...4 недели | 18540 руб. |
| N52811 | 800 | НО | 50 | НЗ | 60000 | 2...4 недели | 18540 руб. |
| N52812 | 1000 | НО | 50 | НЗ | 60000 | 2...4 недели | 18540 руб. |
| N52813 | 200 | НЗ | 50 | НЗ | 60000 | 2...4 недели | 17800 руб. |
| N52814 | 250 | НЗ | 50 | НЗ | 60000 | 2...4 недели | 17800 руб. |
| N52815 | 300 | НЗ | 50 | НЗ | 60000 | 2...4 недели | 17800 руб. |
| N52816 | 600 | НЗ | 50 | НЗ | 60000 | 2...4 недели | 18540 руб. |
| N52817 | 800 | НЗ | 50 | НЗ | 60000 | 2...4 недели | 18540 руб. |
| N52818 | 1000 | НЗ | 50 | НЗ | 60000 | 2...4 недели | 18540 руб. |
| N52819 | 200 | НО | 100 | НЗ | 60000 | 2...4 недели | 17800 руб. |
| N52820 | 200 | НЗ | 100 | НЗ | 60000 | 2...4 недели | 17800 руб. |
| N52821 | 250 | НО | 150 | НЗ | 60000 | 2...4 недели | 17800 руб. |
| N52822 | 300 | НО | 150 | НЗ | 60000 | 2...4 недели | 17800 руб. |
| N52823 | 600 | НО | 150 | НЗ | 60000 | 2...4 недели | 18540 руб. |
| N52824 | 250 | НЗ | 150 | НЗ | 60000 | 2...4 недели | 17800 руб. |
| N52825 | 300 | НЗ | 150 | НЗ | 60000 | 2...4 недели | 17800 руб. |
| N52826 | 600 | НЗ | 150 | НЗ | 60000 | 2...4 недели | 18540 руб. |
| N52827 | 800 | НО | 200 | НЗ | 60000 | 2...4 недели | 18540 руб. |
| N52828 | 800 | НЗ | 200 | НЗ | 60000 | 2...4 недели | 18540 руб. |
| N52829 | 1000 | НО | 500 | НЗ | 60000 | 2...4 недели | 18540 руб. |
| N52830 | 1000 | НЗ | 500 | НЗ | 60000 | 2...4 недели | 18540 руб. |
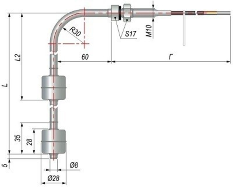
| Габаритные размеры |
![]() |
Обозначение при заказе
| Трехуровневые поплавковые датчики уровня ОВЕН ПДУ-Ех |
|
|










