Клапан нормально открытый AR-2D52
Клапан соленоидный нормально открытый непрямого действия с диафрагмой AR-2D52 предназначен для управления потоком рабочей среды в трубопроводе
Особенности:
- Защита трубопровода от гидравлических ударов благодаря специальной конструкции клапана
- Высокая частота срабатывания
- Долгий срок службы
- Пластиковый корпус
Принцип действия и область применения
Нормально открытый соленоидный клапан – это клапан, который при отсутствии напряжения на его индукционной катушке открыт для потока рабочей среды через него. При подаче напряжения на катушку магнитный клапан этого типа закрывается и остается закрытым все время, пока напряжение подается на катушку. При обрыве провода управляющего напряжения клапан будет открыт.
В большинстве случаев подходит для эксплуатации в системах водоснабжения, теплоснабжения, вентиляции и пневмоуправления. Особенно актуально применение этого типа клапана, когда клапан должен быть открыт большую часть времени, либо когда он обязательно должен быть открыт при отключении электропитания системы.
Для защиты клапана от попадания инородных частиц необходима установка фильтра механической очистки перед входным отверстием соленоидного клапана.
Для герметизации резьбовых металлических соединений рекомендуется использование анаэробных герметиков.
Технические характеристики
| Параметр | Значение | ||
| Рабочая среда | Вода, горячая вода, воздух, инертные газы, масла, спирт | ||
| Материал | корпуса | Нейлон | |
| уплотнения | VITON | ||
| Температура рабочей среды | −30...+150°С | ||
| Рабочее давление | 0,01...0,8 МПа | ||
| Диаметр условного прохода | 15 мм, 20 мм | ||
| Присоединение | Резьбовое G½", G¾" | ||
| Катушка | AS61H, IP65 | AS72B, IP65 | |
| Питание | ~220 В, ~110 В, ~24 В, =24 В, =12 В | ~220 В | |
| Мощность | 10 ВА (AC), 10 Вт (DC) | 10 ВА (AC) | |
Модификации
| Модель | Ду, мм | Дэф, мм | Kv, м³/ч | Присоединение | Pmin, МПа | Pmax, МПа | Катушка |
| AR-2D52-15/13-1/2-GLV | 15 | 13 | 4,1 | ½" | 0,01 | 0,8 | AS61H AS72B |
| AR-2D52-20/18-3/4-GLV | 20 | 18 | 6,5 | ¾" |
Расшифровка обозначения на примере клапана AR2D5215/131/2GLV:
AR-2D52 – модель клапана.
15 – диаметр условного прохода в мм.
13 – эффективный диаметр в мм, если Дэф<Ду.
1/2 – размер резьбы, в дюймах.
X – присоединение: G – трубная резьба.
Y – материал корпуса: L – нейлон.
Z – материал уплотнения: V – VITON.
Все модификации
| Артикул | Диаметр условного прохода, мм | Модель катушки | Питание, В | Срок поставки | Стоимость |
|---|---|---|---|---|---|
| O42830 | 15 | AS61H | ~220 | Со склада (комплектация 1..72 часа) | 3112 руб. |
| O42834 | 15 | AS61H | ~110 | Со склада (комплектация 1..72 часа) | 3212 руб. |
| O42836 | 15 | AS61H | ~24 | Со склада (комплектация 1..72 часа) | 3212 руб. |
| O42838 | 15 | AS61H | =24 | Под заказ к 2026.03.30 | 3212 руб. |
| O42840 | 15 | AS61H | =12 | Со склада (комплектация 1..72 часа) | 3212 руб. |
| O42832 | 15 | AS72B | ~220 | Со склада | 3424 руб. |
| O42831 | 20 | AS61H | ~220 | Ожидается 2025.12.08 | 3804 руб. |
| O42835 | 20 | AS61H | ~110 | 120 дней | 3904 руб. |
| O42837 | 20 | AS61H | ~24 | Под заказ к 2026.03.30 | 3904 руб. |
| O42839 | 20 | AS61H | =24 | Под заказ к 2026.03.30 | 3904 руб. |
| O42841 | 20 | AS61H | =12 | 120 дней | 3904 руб. |
| O42833 | 20 | AS72B | ~220 | 120 дней | 4116 руб. |
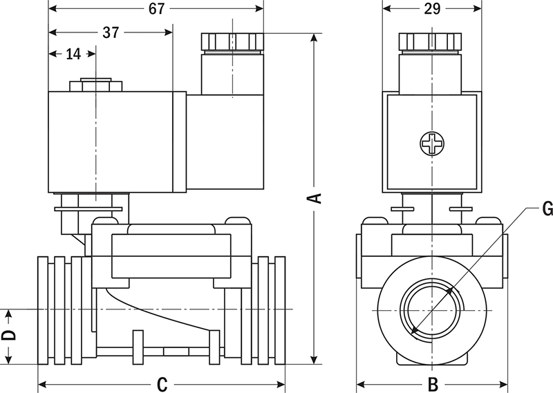
| Габаритные размеры |
![]() |
| AR-2D52 | ||
| Размер, мм | -15 | -20 |
| A | 97,5 | 105 |
| B | 45 | 55 |
| C | 70 | 80 |
| D | 16 | 19 |
| G | ½" | ¾" |
| Вес, г | 201 | 243 |
Документация и схемы
| Документ | Дата изменения | Размер | Файл |
| Руководство по эксплуатации | 25.01.2024 | 0.53 Мб | ![]() |






