Кондуктометрический датчик уровня одноэлектродный ДУ-1-Н
Кондуктометрический датчик уровня одноэлектродный для контроля уровня жидкости в металлических резервуарах открытого и закрытого типа.
Датчики уровня ДУ-1Н изготовлены из пищевой нержавеющей стали 12Х18Н10Т. В качестве изолятора используется фторопласт. Датчики снабжены несменным электродом диаметром 3 мм и длиной, указываемой при заказе. Датчики нельзя использовать для контроля уровня жидкости, находящейся под давлением.
Технические характеристики
| Параметр | Значение |
| Материал корпуса | 12Х18Н10Т |
| Материал изолятора | Фторопласт |
| Температура эксплуатации | −50...+200°C |
| Присоединение | М12×1,5 |
| Диаметр электрода | 3 мм |
| Длина электрода | 0,5 м, 1 м, 2 м |
Все модификации
| Артикул | Модель | Длина электрода, мм | Срок поставки | Стоимость |
|---|---|---|---|---|
| O71483 | ДУ-1-Н-500 | 500 | 2...4 недели | 1250 руб. |
| O71484 | ДУ-1-Н-1000 | 1000 | 2...4 недели | 1436 руб. |
| O71485 | ДУ-1-Н-2000 | 2000 | 2...4 недели | 1621 руб. |
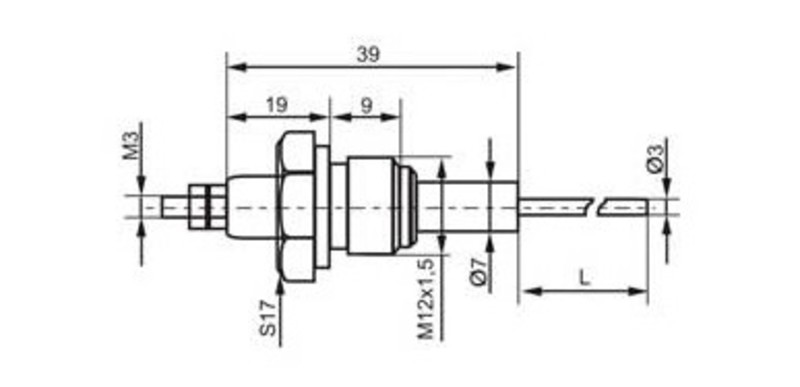
| Габаритные размеры |
![]() |
Документация и схемы
| Документ | Дата изменения | Размер | Файл |
| Сертификат официального дистрибьютора ООО "ТД" Энергосервис" | 11.10.2022 | 0.83 Мб | ![]() |
Длина датчика:
—
Количество электродов (жил) в шлейфе:
—
Присоединение электродов:
—
Материал электродов:
—
Диаметр электродов:
—
Длина электродов:
—
Расстояние между электродами:
—
Количество электродов:
—
Материал изолятора:
—
фторопласт
Температура эксплуатации:
—
−50...+200°C
Длина погружаемой части электрода:
—
Искробезопасное исполнение:
—
Диаметр электрода:
—
3 мм
Длина электрода:
—
0,5 м, 1 м, 2 м
Количество электродов для установки:
—
Диаметр присоединяемых электродов:
—
Разделители:
—
Тип зажима:
—
Материал клеммы:
—
Количество контактов:
—
Диаметр прутка/провода:
—
Площадь сечения провода:
—
Электроды:
—
Материал:
—
Материал изоляции:
—
Максимальная рабочая температура:
—
Максимальное рабочее давление:
—
Присоединение:
—
М12×1,5
Комплект:
—
Длина провода датчика:
—
Размер датчика:
—
Рабочая температура:
—
Степень пылевлагозащиты:
—
Рабочая среда:
—
Материал датчика:
—
Материал корпуса:
—
12Х18Н10Т
Длина кабеля:
—
Максимальное количество контролируемых уровней:
—
Реле:
—
Защита:
—
Длина:
—
Диаметр:
—







