Коммутационная головка для термодатчиков ГДТ-42-33-АВ
Головки коммутационные предназначены для производства и/или подключения датчиков температуры (термосопротивлений, термопар).
Прежнее название головки ГДТ-42-33-АВ: ГДТ-46.
Особенности:
- Стандартная резьба G½" (или заказные М20×1,5, М24×1,5) позволяет легко присоединить защитную арматуру для датчика к коммутационной головке, а также использовать стандартные и широко распространенные футорки (например, VTR.581.N) для перехода на остальные размеры резьбы
- Головка совместима с клеммными колодками КТП-42-33-4, КТП-42-33-3 П. (диаметр колодок 42 мм, расстояние между крепежными отверстиями 33 мм). Также может использоваться с прочими клеммными колодками подходящих размеров:
- диаметр, не превышающий 42 мм;
- расстояние между крепежными отверстиями 33 мм.
- В отверстие Gy с резьбой М20×1,5 для повышения герметичности присоединения кабеля до IP66 можно вкрутить гермоввод, например ARGM-M20, ARGP-M20
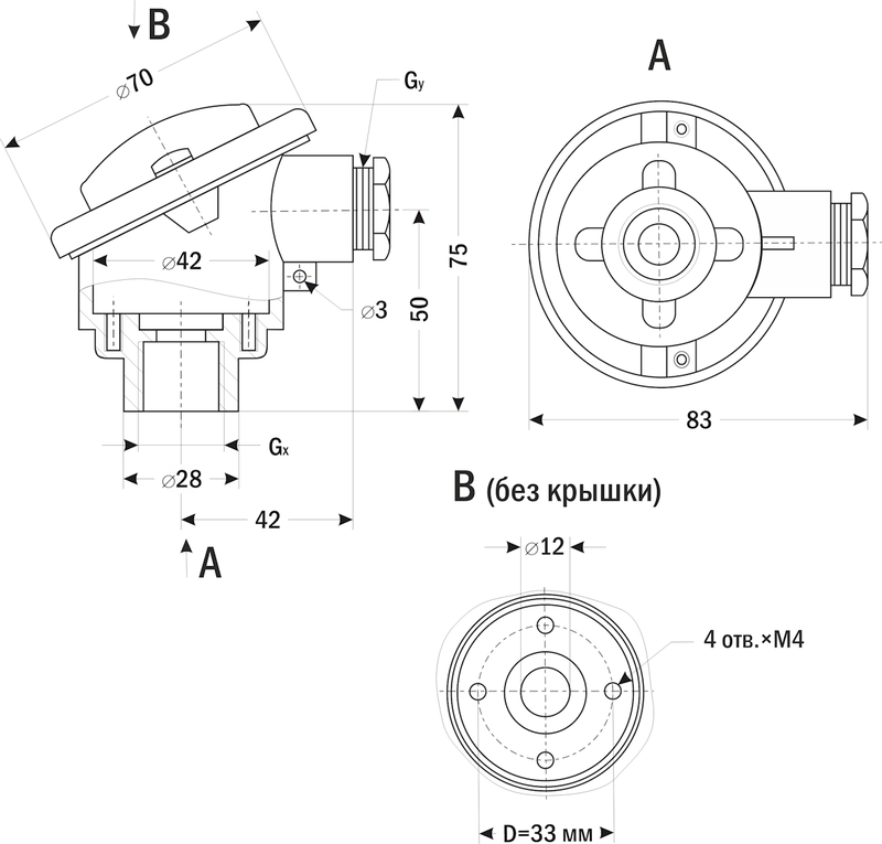
Технические характеристики
| Параметр | Значение |
| Максимальный диаметр колодки | 42 мм |
| Расстояние между крепежными отверстиями (D) | 33 мм |
| Количество крепежных отверстий | 4 отверстия М4 |
| Присоединение защитной арматуры для датчика (Gx) | G½"– стандарт М20×1,5, М24×1,5 – по заказу |
| Присоединение кабеля (Gy) | М20×1,5 – стандарт G½", PG16 – по заказу |
| Диаметр подключаемого кабеля | ≤ 10 мм |
| Рабочая температура | −40...+100°C |
| Фиксация крышки | винты |
| Материал корпуса | силумин |
| Материал уплотнений | маслостойкая резина |
| Степень пылевлагозащиты | IP65 |
| Габаритные размеры | 75×70×83 мм |
Монтаж
В коммутационную головку с помощью винтов М4 (не входят в комплект) монтируется клеммная колодка, к которой с одной стороны присоединяются контакты датчика температуры, с другой — контакты кабеля. Вывод датчика и присоединение защитной арматуры для него производится через отверстие с резьбой Gx (см. фото и чертеж). Кабельный ввод — отверстие с резьбой Gy (см. фото и чертеж).
| Габаритные размеры |
![]() |

| Номер позиции | Название позиции | Обозначение | Расшифровка |
| 1 | Внутренний диаметр головки | 35 | 35 мм |
| 42 | 42 мм | ||
| ... | |||
| 2 | Расстояние между монтажными отверстиями | 27 | 27 мм |
| 33/40 | 33 мм и 40 мм | ||
| ... | |||
|
3 |
Присоединение защитной арматуры для датчика | 0 | G¼" |
| 2 | G½" | ||
| 3 | G¾" | ||
| 4 | G1" | ||
| 5 | М10×1 | ||
| 6 | М12×1,5 | ||
| 7 | М16×1,5 | ||
| 8 | М20×1,5 | ||
| 9 | М24×1,5 | ||
| T | Зажим с винтом, отверстие 22,5 мм | ||
| 4 | Присоединение кабеля | 1 | G⅜" |
| 2 | G½ | ||
| 7 | М16×1,5 | ||
| 8 | М20×1,5 | ||
| П | PG16 | ||
| 5 | Материал корпуса | A | Алюминий (силумин) |
| H | Нейлон | ||
| 6 | Фиксация крышки | В | Винты |
| Р | Резьба | ||
| С | Стяжной замок | ||
| 7 | Искрозащита | Пусто | Без искрозащиты |
| И | Есть искрозащита | ||


