Штуцер пружинный поджимной ШПП-А
Новинка
Штуцер предназначен для монтажа термодатчиков в резьбовые отверстия (гильзы или бобышки) в объектах измерения температуры
Особенности:
- Штуцер обеспечивает надежную работу датчика в условиях повышенной вибрации. Как правило, датчики с поджимным штуцером используются для контроля температуры экструдеров при производстве пластмасс и резиновых смесей
- Контргайка предотвращает самопроизвольное выкручивание датчика при воздействии вибрации
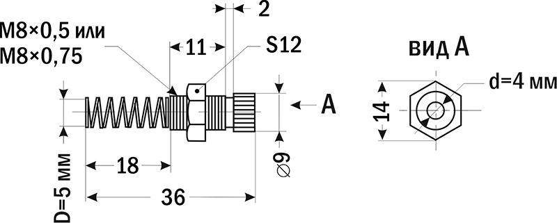
- Совместимы с датчиками подходящего диаметра (>D=5 мм, но не более 7,5 мм) и наружным размером провода, не превышающим 3,8 мм (d=4 мм, см. чертеж), например, ТП-А-4001, ТС-А-4001, ТС-А-4021
- Возможно использование с датчиками диаметром ≤ 5 мм. Для этого необходимо дополнительно поджать пружину по корпусу датчика
Технические характеристики
| Параметр | Значение |
| Для датчиков диаметром | 5,1...7,5 мм |
| Максимальный диаметр провода | 3,8 мм |
| Присоединение | М8×0,5 М8×0,75 |
| Материал | нержавеющая сталь |
| Габаритные размеры | 14×12×36 мм |
Все модификации
| Артикул | Модель | Резьба | Срок поставки | Стоимость |
|---|---|---|---|---|
| G99340 | ШПП-А-М8х0,5 | М8х0,5 | Со склада | 187 руб. |
| G99341 | ШПП-А-М8х0,75 | М8х0,75 | Под заказ к 2026.03.15 | 187 руб. |
| Габаритные размеры |
![]() |
Присоединение к преобразователю:
—
Присоединение к термодатчику:
—
Материал:
—
нержавеющая сталь
Условное давление:
—
Температура среды:
—
Длина погружной части:
—
Наружный диаметр:
—
Присоединение:
—
М8×0,5, М8×0,75
Для датчиков со штуцером:
—
Проверка диодов и транзисторов:
—
Высота:
—
Крепежная резьба:
—
Внешний диаметр датчика:
—
Использование:
—
Материал уплотнения:
—
Материал штуцера:
—
Максимальная рабочая температура:
—
Максимальное рабочее давление:
—
Максимально допустимая температура:
—
Типы вилок:
—
Номинальная статическая характеристика:
—
Для датчиков диаметром:
—
5,1...7,5 мм
Максимальный диаметр провода:
—
3,8 мм
Диаметр:
—
Толщина стенки:
—
Длина:
—
Наружные размеры:
—
Количество отверстий:
—
Диаметр отверстий:
—
Рабочий диапазон температур:
—
Максимальный диаметр колодки:
—
Расстояние между крепежными отверстиями:
—
Количество крепежных отверстий:
—
Присоединение защитной арматуры для датчика:
—
Присоединение кабеля:
—
Рабочая температура:
—
Материал корпуса:
—
Материал уплотнений:
—
Cтепень пылевлагозащиты:
—
Тип:
—
Корпус:
—
Максимально допустимая температура на разъеме:
—
Варианты комплектации:
—
Взрывозащита:
—
Длина монтажной части:
—
Диаметр монтажной части:
—
Диаметр колодки:
—
Расстояние между монтажными отверстиями:
—
Количество контактов:
—
Количество монтажных отверстий:
—
Материал контактов:
—
Цвет:
—
Длина керамической части:
—
Длина металлической части:
—
Диаметр керамической части:
—
Диаметр металлической части:
—
Предназначен:
—
Наружная резьба:
—
Уплотнение:
—
Для датчиков с длиной монтажной части:
—
Крепление датчика:
—
Материал гильзы:
—
Материал погружной гильзы:
—
Наружный диаметр гильзы:
—
Внутренний диаметр гильзы:
—
Подходит:
—
Диапазон давлений:
—
Диаметр гильзы:
—
Количество упоров:
—
Градуировка:
—
Класс:
—
Изоляция:
—
Длина выводов:
—
Длина датчика:
—
Диапазон измерения температуры:
—
Система:
—
Длина кабельного вывода:
—
Подключение:
—
Сопротивление при +25°С:
—
Максимальная температура эксплуатации:
—
Для труб диаметром:
—
Состав комплекта:
—
Длина пружины:
—
Класс допуска:
—
Диаметр головки:
—
Тип сенсора:
—
Тип спая:
—
Материал пружинной контактной площадки:
—
Внутренний диаметр:
—
Внешний диаметр:
—
Диаметр гнезда под датчик:
—
Длина гильзы:
—
Тип резьбы:
—






