Коммутационная головка для термодатчиков ГДТ-51-33/40-АР
Головки коммутационные предназначены для производства и/или подключения датчиков температуры (термосопротивлений, термопар).
Особенности:
- Стандартная резьба G½" (или заказные G¼", G¾", G1") позволяет легко присоединить защитную арматуру для датчика к коммутационной головке, а также использовать стандартные и широко распространенные футорки (например, VTR.581.N) для перехода на остальные размеры резьбы
- Головка совместима с клеммными колодками КТП-42-33-4, КТП-42-33-3-П. (диаметр колодок 42 мм, расстояние между крепежными отверстиями 33 мм) и КТП-49-40-2, КТП-49-40-4 (диаметр колодок 49 мм, расстояние между крепежными отверстиями 40 мм). Также может использоваться с прочими клеммными колодками подходящих размеров:
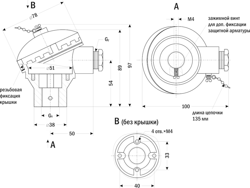
- диаметр, не превышающий 51 мм;
- расстояние между крепежными отверстиями 33 мм и/или 40 мм.
- В отверстие Gy с резьбой М20×1,5 (модель ГДТ-51-33/40-28-АР) для повышения герметичности присоединения кабеля до IP66 можно вкрутить гермоввод, например ARGM-M20, ARGP-M20
- Дополнительная фиксация защитной арматуры зажимным винтом М4 (см. чертеж). Также с помощью винта М4 большей длины (не входит в комплект) можно закрепить в отверстии Gx арматуру без резьбы
- Цепочка, соединяющая крышку с коммутационной головкой, предотвращает потерю крышки
Монтаж
В коммутационную головку с помощью винтов М4 (не входят в комплект) монтируется клеммная колодка, к которой с одной стороны присоединяются контакты датчика температуры, с другой — контакты кабеля. Вывод датчика и присоединение защитной арматуры для него производится через отверстие с резьбой Gx (см. чертеж). Кабельный ввод — отверстие с резьбой Gy (см. чертеж).
Технические характеристики
| Параметр | Значение | |
| ГДТ-51-33/40-28-АР | ГДТ-51-33/40-22-АР | |
| Максимальный диаметр колодки | 51 мм | |
| Расстояние между крепежными отверстиями (D) | 33 мм, 40 мм | |
| Количество крепежных отверстий | 4 отверстия М4 | |
| Присоединение защитной арматуры для датчика (Gx) | G½" – стандарт G¼", G¾", G1" – по заказу | |
| Присоединение кабеля (Gy) | М20×1,5 | G½" |
| Диаметр подключаемого кабеля | ≤ 10 мм | |
| Рабочая температура | −40...+100°C | |
| Фиксация крышки | резьба | |
| Материал корпуса | силумин | |
| Материал уплотнений | маслостойкая резина | |
| Степень пылевлагозащиты | IP65 | |
| Габаритные размеры | 97×78×100 мм | |
Все модификации
| Артикул | Модель | Резьба (кабельный ввод) | Срок поставки | Стоимость |
|---|---|---|---|---|
| K87761 | ГДТ-51-33/40-22-АР | G1/2 | Со склада | 975 руб. |
| K87762 | ГДТ-51-33/40-28-АР | М20х1,5 | Со склада | 975 руб. |
| Габаритные размеры |
![]() |

| Номер позиции | Название позиции | Обозначение | Расшифровка |
| 1 | Внутренний диаметр головки | 35 | 35 мм |
| 42 | 42 мм | ||
| ... | |||
| 2 | Расстояние между монтажными отверстиями | 27 | 27 мм |
| 33/40 | 33 мм и 40 мм | ||
| ... | |||
|
3 |
Присоединение защитной арматуры для датчика | 0 | G¼" |
| 2 | G½" | ||
| 3 | G¾" | ||
| 4 | G1" | ||
| 5 | М10×1 | ||
| 6 | М12×1,5 | ||
| 7 | М16×1,5 | ||
| 8 | М20×1,5 | ||
| 9 | М24×1,5 | ||
| T | Зажим с винтом, отверстие 22,5 мм | ||
| 4 | Присоединение кабеля | 1 | G⅜" |
| 2 | G½ | ||
| 7 | М16×1,5 | ||
| 8 | М20×1,5 | ||
| П | PG16 | ||
| 5 | Материал корпуса | A | Алюминий (силумин) |
| H | Нейлон | ||
| 6 | Фиксация крышки | В | Винты |
| Р | Резьба | ||
| С | Стяжной замок | ||
| 7 | Искрозащита | Пусто | Без искрозащиты |
| И | Есть искрозащита | ||
Документация и схемы
| Документ | Дата изменения | Размер | Файл |
| Руководство по эксплуатации | 11.11.2022 | 1.19 Мб | ![]() |







