Чехол защитный ОВЕН ЧЗ-дТПX165
Чехол ОВЕН ЧЗ-дТПX165 предназначен для защиты высокотемпературных датчиков дТП125, дТП135, дТП225, дТП145, дТП155 и дТП165, а также использования в качестве вспомогательной части с термопарными вставками ДТПХхх1 на основе КТМС
Особенности:
- Твердая и газоплотная керамика позволяет защитить вставляемую внутрь термопару от агрессивного воздействия внешней среды
Технические характеристики
| Параметр | Значение |
| Длина монтажной части | 250 мм, 320 мм, 400 мм, 500 мм, 630 мм, 800 мм, 1000 мм или 1250 мм |
| Диаметр монтажной части | 20 мм, 30 мм |
| Материал | корунд CER795, сталь 12Х18Н10Т |
Длина монтажной части чехла защитного и соответствующая ему установочная длина монтажной части термопарной вставки
| Модель вставки | Длина монтажной части ЧЗ-ДТПхХХ5, мм | |||||||||
| 250 | 320 | 400 | 500 | 630 | 800 | 1000 | 1250 | 1600 | 2000 | |
| Установочная длина монтажной части Lв, мм | ||||||||||
| 101(как вставка в ДТПХ165) | 524 | 594 | 674 | 774 | 904 | 1074 | 1274 | 1524 | 1874 | 2274 |
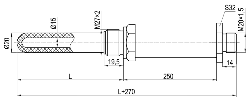
| Габаритные размеры |
![]() |
| L = 250 мм, 320 мм, 400 мм, 500 мм, 630 мм, 800 мм, 1000 мм, 1250 мм l = 250 мм S = 32 мм |
| Обозначение при заказе |
![]() |
Присоединение к преобразователю:
—
Присоединение к термодатчику:
—
Материал:
—
корунд CER795, сталь 12Х18Н10Т
Условное давление:
—
Температура среды:
—
Длина погружной части:
—
Наружный диаметр:
—
Присоединение:
—
Для датчиков со штуцером:
—
Проверка диодов и транзисторов:
—
Высота:
—
Крепежная резьба:
—
Внешний диаметр датчика:
—
Использование:
—
Материал уплотнения:
—
Материал штуцера:
—
Максимальная рабочая температура:
—
Максимальное рабочее давление:
—
Максимально допустимая температура:
—
Типы вилок:
—
Номинальная статическая характеристика:
—
Для датчиков диаметром:
—
Максимальный диаметр провода:
—
Диаметр:
—
Толщина стенки:
—
Длина:
—
Наружные размеры:
—
Количество отверстий:
—
Диаметр отверстий:
—
Рабочий диапазон температур:
—
Максимальный диаметр колодки:
—
Расстояние между крепежными отверстиями:
—
Количество крепежных отверстий:
—
Присоединение защитной арматуры для датчика:
—
Присоединение кабеля:
—
Рабочая температура:
—
Материал корпуса:
—
Материал уплотнений:
—
Cтепень пылевлагозащиты:
—
Тип:
—
Корпус:
—
Максимально допустимая температура на разъеме:
—
Варианты комплектации:
—
Взрывозащита:
—
Длина монтажной части:
—
250 мм, 320 мм, 400 мм, 500 мм, 630 мм, 800 мм, 1000 мм или 1250 мм
Диаметр монтажной части:
—
20 мм, 30 мм
Диаметр колодки:
—
Расстояние между монтажными отверстиями:
—
Количество контактов:
—
Количество монтажных отверстий:
—
Материал контактов:
—
Цвет:
—
Длина керамической части:
—
Длина металлической части:
—
Диаметр керамической части:
—
Диаметр металлической части:
—
Предназначен:
—
Наружная резьба:
—
Уплотнение:
—
Для датчиков с длиной монтажной части:
—
Крепление датчика:
—
Материал гильзы:
—
Материал погружной гильзы:
—
Наружный диаметр гильзы:
—
Внутренний диаметр гильзы:
—
Подходит:
—
Диапазон давлений:
—
Диаметр гильзы:
—
Количество упоров:
—
Градуировка:
—
Класс:
—
Изоляция:
—
Длина выводов:
—
Длина датчика:
—
Диапазон измерения температуры:
—
Система:
—
Длина кабельного вывода:
—
Подключение:
—
Сопротивление при +25°С:
—
Максимальная температура эксплуатации:
—
Для труб диаметром:
—
Состав комплекта:
—
Длина пружины:
—
Класс допуска:
—
Диаметр головки:
—
Тип сенсора:
—
Тип спая:
—
Материал пружинной контактной площадки:
—
Внутренний диаметр:
—
Внешний диаметр:
—
Диаметр гнезда под датчик:
—
Длина гильзы:
—
Тип резьбы:
—







