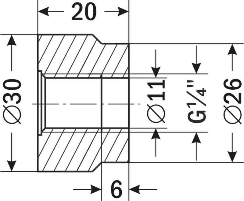
Бобышка прямая БП-А-G1/4-20-N2
Бобышка БП-А-G1/4-20-N2 предназначена для установки термопреобразователей, термометров, манометров, защитных гильз, отборных устройств, датчиков уровня, запорных вентилей и других устройств по месту эксплуатации. Бобышка устанавливается на объекте с применением сварки.
При присоединении датчиков уровня и защитных гильз для термопреобразователей используются бобышки без упора.
Бобышка БП-А-G1/4-20-N2 подходит для установки ДР-ПТ-32, ДР-ПТ-36, ДР-ПТ-36И
Технические характеристики
| Параметр | Значение |
| Тип | Прямая |
| Присоединение | G¼" |
| Высота | 20 мм |
| Материал | Нержавеющая сталь |
| Габаритные размеры | ∅ 30×20 мм |
| Вес | 84 г |
| Габаритные размеры |
![]() |
Присоединение к преобразователю:
—
Присоединение к термодатчику:
—
Материал:
—
сталь
Условное давление:
—
Температура среды:
—
Длина погружной части:
—
Наружный диаметр:
—
Присоединение:
—
G¼
Для датчиков со штуцером:
—
Проверка диодов и транзисторов:
—
Высота:
—
20 мм
Крепежная резьба:
—
Внешний диаметр датчика:
—
Использование:
—
Материал уплотнения:
—
Материал штуцера:
—
Максимальная рабочая температура:
—
Максимальное рабочее давление:
—
Максимально допустимая температура:
—
Типы вилок:
—
Номинальная статическая характеристика:
—
Для датчиков диаметром:
—
Максимальный диаметр провода:
—
Диаметр:
—
Толщина стенки:
—
Длина:
—
Наружные размеры:
—
Количество отверстий:
—
Диаметр отверстий:
—
Рабочий диапазон температур:
—
Максимальный диаметр колодки:
—
Расстояние между крепежными отверстиями:
—
Количество крепежных отверстий:
—
Присоединение защитной арматуры для датчика:
—
Присоединение кабеля:
—
Рабочая температура:
—
Материал корпуса:
—
Материал уплотнений:
—
Cтепень пылевлагозащиты:
—
Тип:
—
Корпус:
—
Максимально допустимая температура на разъеме:
—
Варианты комплектации:
—
Взрывозащита:
—
Длина монтажной части:
—
Диаметр монтажной части:
—
Диаметр колодки:
—
Расстояние между монтажными отверстиями:
—
Количество контактов:
—
Количество монтажных отверстий:
—
Материал контактов:
—
Цвет:
—
Длина керамической части:
—
Длина металлической части:
—
Диаметр керамической части:
—
Диаметр металлической части:
—
Предназначен:
—
Наружная резьба:
—
Уплотнение:
—
Для датчиков с длиной монтажной части:
—
Крепление датчика:
—
Материал гильзы:
—
Материал погружной гильзы:
—
Наружный диаметр гильзы:
—
Внутренний диаметр гильзы:
—
Подходит:
—
Диапазон давлений:
—
Диаметр гильзы:
—
Количество упоров:
—
без упора
Градуировка:
—
Класс:
—
Изоляция:
—
Длина выводов:
—
Длина датчика:
—
Диапазон измерения температуры:
—
Система:
—
Длина кабельного вывода:
—
Подключение:
—
Сопротивление при +25°С:
—
Максимальная температура эксплуатации:
—
Для труб диаметром:
—
Состав комплекта:
—
Длина пружины:
—
Класс допуска:
—
Диаметр головки:
—
Тип сенсора:
—
Тип спая:
—
Материал пружинной контактной площадки:
—
Внутренний диаметр:
—
Внешний диаметр:
—
Диаметр гнезда под датчик:
—
Длина гильзы:
—
Тип резьбы:
—






