Термопара ТП-А-4501
Термопара предназначена для измерения температуры жидких и газообразных сред, неагрессивных к материалу корпуса датчика, а также твердых тел — нагревательных поверхностей и плит, нагревательных элементов и т.д.
Прежнее название термопары ТП-А-4501: ТП-А-2488-3
Принцип действия и конструкция
Термопара представляет собой два термоэлектрода из различных металлов, спаянных между собой. При помещении одного спая (рабочего) в измеряемую среду вследствие разницы температур спаев по термоэлектродам протекает ЭДС, прямо пропорциональная разности этих температур. Кабельный вывод обеспечивает удобство и быстроту монтажа, но ограничивает верхний предел измеряемых температур до +400°С.
Внимание! Максимальная температура места перехода «арматура-кабельный вывод» не более +300°С.
Особенности
- Штуцер со стандартной метрической резьбой М8×1 позволяет легко монтировать термопару в стандартное резьбовое отверстие в объекте измерения температуры
- Благодаря дополнительной гайке термопару можно закрепить на перегородке толщиной до 12 мм в отверстие без резьбы (см. рисунок)
- Кабельный вывод конструктивно усилен пружиной, защищающей провод от излома
- Термопара является неполным аналогом дТП054

Монтаж
Для соединения термопар с измерительными приборами используются компенсационные провода, например:
- ПТН-А;
- ПТНн-А;
- ПТНт-А;
- ПТНГт-А;
- ПТНЭ-А;
- ПТНГЭ-А;
- ПТНЭк-А;
- ПТНГЭк-А.
При подключении проводов необходимо соблюдать полярность.
| Полярность | ХА (К) | ХК (L) | ЖК (J) | НН (N) | ХКн (E) | МКн (Т) |
| «+» | красная жила (хромель) | красная жила (хромель) | красная жила (железо) | красная жила (нихросил) | красная жила (хромель) | красная жила (медь) |
| «−» | зеленая/черная жила (алюмель) | оранжевая жила (копель) | синяя жила (константан) | белая жила (нисил) | черная жила (константан) | коричневая жила (константан) |
Показатели надежности и условия эксплуатации
Показатели надежности термопар при соблюдении условий эксплуатации в рабочем диапазоне температур:
- вероятность безотказной работы — не менее 0,95 за 16 000 ч;
- средний срок службы — не менее 4 лет;
- гарантийный срок эксплуатации — 2 года.
Устойчивость к внешним механическим воздействиям по ГОСТ Р 52931-2008 — группа N2.
Рабочие условия эксплуатации места перехода «арматура-кабельный вывод»:
- помещения с нерегулируемыми климатическими условиями и (или) навесы;
- относительная влажность не более 95% при +35°С и более низких температурах без конденсации влаги;
- атмосферное давление от 84 до 106,7 кПа.
Технические характеристики
| Параметр | Значение |
| Номинальная статическая характеристика | ХА (К) – стандарт ХК (L), ЖК (J), НН (N), ХКн (E), МКн (Т) – по заказу |
| Диапазон измеряемых температур | −40...+400°С |
| Условное давление | 2,0 МПа |
| Класс допуска датчика | 2 |
| Допустимое отклонение | ±3°С |
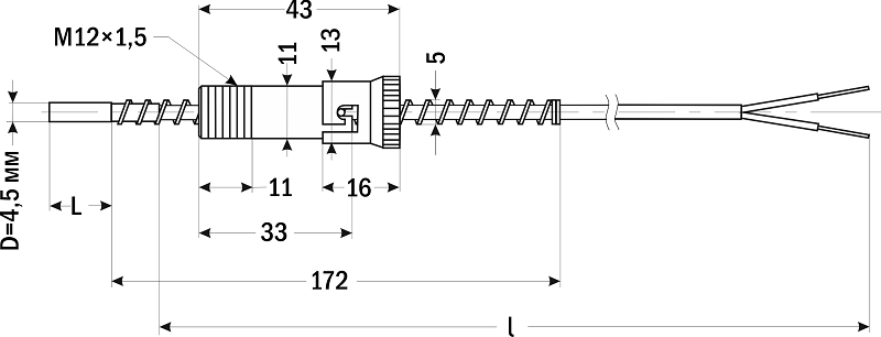
| Длина монтажной части (L) | 20 мм, 30 мм, 40 мм, 60 мм, 80 мм, 100 мм, 120 мм, 160 мм, 200 мм – стандарт 180 мм, 250 мм, 320 мм, 400 мм, 500 мм, 630 мм, 800 мм, 1000 мм – по заказу |
| Диаметр монтажной части (D) | 5 мм |
| Присоединение | штуцер М8×1, М8×1,25, с гайкой |
| Длина кабельного вывода (l) | 1800 мм, 2000 мм – стандарт до 50 000 мм – по заказу погрешность длины кабельного вывода ±3% |
| Тип спая | неизолированный |
| Тепловая инерция | ≤ 10 с |
| Материал корпуса датчика | нержавеющая сталь |
| Провод | ПТЭ-А, одножильный |
| Сечение провода | 2×0,2 мм² |
| Наружные размеры провода | 2×3 мм |
| Степень защиты | IP54 |
Все модификации
| Артикул | Длина монтажной части, мм | Штуцер | Срок поставки | Стоимость |
|---|---|---|---|---|
| O44897 | 20 | М8х1 | Со склада | 624 руб. |
| O44906 | 20 | М8х1,25 | Со склада | 491 руб. |
| O44898 | 30 | М8х1 | Со склада | 624 руб. |
| O44907 | 30 | М8х1,25 | Со склада | 491 руб. |
| O44899 | 40 | М8х1 | Со склада | 624 руб. |
| O44908 | 40 | М8х1,25 | Со склада | 491 руб. |
| O44900 | 60 | М8х1 | Со склада | 624 руб. |
| O44909 | 60 | М8х1,25 | Со склада | 519 руб. |
| O44901 | 80 | М8х1 | Со склада | 624 руб. |
| O44910 | 80 | М8х1,25 | Со склада | 527 руб. |
| O44902 | 100 | М8х1 | Со склада | 655 руб. |
| O44911 | 100 | М8х1,25 | Со склада | 519 руб. |
| O44903 | 120 | М8х1 | Со склада | 655 руб. |
| O44912 | 120 | М8х1,25 | Со склада | 527 руб. |
| O44904 | 160 | М8х1 | Со склада | 722 руб. |
| O44913 | 160 | М8х1,25 | Со склада | 577 руб. |
| O44905 | 200 | М8х1 | Со склада | 780 руб. |
| O44914 | 200 | М8х1,25 | Со склада | 527 руб. |

| Номер позиции | Название позиции | Обозначение | Расшифровка |
| 1 | Вид датчика | ТП-А | Термопара |
| ТС-А | Термосопротивление | ||
| NTC-A | Датчик температуры NTC | ||
| HV-A | Датчик температуры для HVAC | ||
| 2 | Тип | 1 | Бескорпусный/без кабеля |
| 4 | В корпусе с кабелем | ||
| 5 | С пластиковой коммутационной головкой | ||
| 6 | В металлическом корпусе с металлической коммутационной головкой | ||
| 7 | В керамическом корпусе с металлической коммутационной головкой | ||
| 3 | Резьба | 0 | Нет резьбы |
| 1 | С внешней резьбой | ||
| 2 | С внутренней резьбой | ||
| 3 | С резьбой и пружиной | ||
| 4 | С байонетом | ||
| 5 | С резьбой и гайкой | ||
| 4 | Модификация | 0 | |
| 1 | |||
| ... | |||
| 5 | Порядковый номер | 1 | |
| ... | |||
| 6 | Диаметр датчика | 0,5 | 0,5 мм |
| 2 | 2 мм | ||
| 5 | 5 мм | ||
| ... | |||
| 7 | Типоразмер резьбы | G1/2 | G½" |
| M8x1 | M8×1 | ||
| M16x1,5 | M16×1,5 | ||
| ... | |||
| 8 | Длина монтажной части | 020 | 20 мм |
| 050 | 50 мм | ||
| 100 | 100 мм | ||
| 250 | 250 мм | ||
| ... | |||
| 9 | Номинальная статическая характеристика | ХА | ХА(К) |
| ЖК | ЖК (J) | ||
| Pt100 | Pt100 | ||
| 10k | NTC 10k | ||
| ... | |||
| 10 | Тип спая (дополнительно для ТП-А) | Пусто | Изолированный |
| Н | Неизолированный | ||
| 11 | Длина провода | 2,0 | 2000 мм |
| 0,6 | 600 мм | ||
| ... | |||
| 12 | Тип провода* | ПТНГЭк | ПТНГЭк-А |
| КМТФЭт | КМТФЭт-А-3 | ||
| ... | |||
| 13 | Материал корпуса датчика* | С | Нержавеющая сталь |
| Л | Никелированная латунь | ||
| Ин | Inconel 600 | ||
| 14 | Класс допуска* | A | Класс А |
| B | Класс B | ||
*указывается, если у датчика есть выбор по данному параметру
| Габаритные размеры |
![]() |
Предельные допустимые отклонения согласно ГОСТ Р 8.585-2001 (справочная таблица)
| Класс допуска | 1 | 2 | ||
| Тип | Диапазон измерения | Допустимые отклонения | Диапазон измерения | Допустимые отклонения |
| ХА (К) | −40...+375°С | ±1,5°С | −40...+333°С | ±2,5°С |
| +375...+1000°С | ±0,004Т | +333...+1300°С | ±0,0075Т | |
| ХК (L) | − | − | −40...+360°С | ±2,5°С |
| − | − | +360...+800°С | ±(0,7°С+0,005T) | |
| ЖК (J) | −40...+375°С | ±1,5°С | −40...+333°С | ±2,5°С |
| +375...+750°С | ±0,004Т | +333...+900°С | ±0,0075Т | |
| НН (N) | −40...+375°С | ±1,5°С | −40...+333°С | ±2,5°С |
| +375...+1000°С | ±0,004Т | +333...+1300°С | ±0,0075Т | |
| ХКн (E) | −40...+375°С | ±1,5°С | −40...+333°С | ±2,5°С |
| +375...+800°С | ±0,004Т | +333...+990°С | ±0,0075Т | |
| МКн (Т) | −40...+125°С | ±0,5°С | −40...+135°С | ±1,0°С |
| +125...+350°С | ±0,004Т | +135...+350°С | ±0,0075Т | |
| ПП (S) | 0...+1100°С | ±1,0°С | 0...+600°С | ±1,5°С |
| +1100...+1600°С | ±(1,0+0,003(Т−1100)) | +600...+1600°С | ±0,0025Т | |
Диапазон измеряемых температур зависит от конструктивного исполнения датчика и материала защитной арматуры.
Т — абсолютное значение температуры измеряемой среды, °С
Документация и схемы
| Документ | Дата изменения | Размер | Файл |
| Декларация о соответствии | 23.05.2016 | 0.77 Мб | ![]() |






