Термопара ТП-А-4092
Термопара предназначена для измерения температуры твердых тел (нагревательных плит, корпусов, поверхностей и т.д.) в различных технологических
процессах.
Прежнее название термопары ТП-А-4092: ТП-А-2488-5
Принцип действия и конструкция
Термопара представляет собой два термоэлектрода из различных металлов, спаянных между собой. При помещении одного спая (рабочего) в измеряемую среду вследствие разницы температур спаев по термоэлектродам протекает ЭДС, прямо пропорциональная разности этих температур.
Кабельный вывод обеспечивает удобство и быстроту монтажа, но ограничивает верхний предел измеряемых температур до +400°С.
Внимание! Максимальная температура места перехода «арматура-кабельный вывод» не более +300°С.
Особенности
- Гильза с креплением на плоскость
- Кабельный вывод конструктивно усилен пружиной, защищающей провод от излома
Монтаж
Для соединения термопар с измерительными приборами используются компенсационные провода, например:
- ПТН-А;
- ПТНн-А;
- ПТНт-А;
- ПТНГт-А;
- ПТНЭ-А;
- ПТНГЭ-А;
- ПТНЭк-А;
- ПТНГЭк-А.
| Полярность | ХА(К) | ХК (L) | ЖК (J) | НН (N) | ХКн (E) | МКн (Т) |
| «+» | красная жила (хромель) | красная жила (хромель) | красная жила (железо) | красная жила (нихросил) | красная жила (хромель) | красная жила (медь) |
| «−» | зеленая жила (алюмель) | оранжевая жила (копель) | синяя жила (константан) | белая жила (нисил) | черная жила (константан) | коричневая жила (константан) |
Показатели надежности и условия эксплуатации
- вероятность безотказной работы — не менее 0,95 за 16 000 ч;
- средний срок службы — не менее 4 лет;
- гарантийный срок эксплуатации — 2 года.
Устойчивость к внешним механическим воздействиям по ГОСТ Р 52931-2008 — группа V2.
Рабочие условия эксплуатации места перехода «арматура-кабельный вывод»:
- помещения с нерегулируемыми климатическими условиями и (или) навесы;
- относительная влажность не более 95% при +35°С и более низких температурах без конденсации влаги;
- атмосферное давление от 84 до 106,7 кПа.
Технические характеристики
| Параметр | Значение | |||
| Номинальная статическая характеристика | ХА (К), ХК (L), ЖК (J) – стандарт НН (N), ХКн (E), МКн (Т) – по заказу | |||
| Диапазон измеряемых температур | −40...+400°С | |||
| Условное давление | 2,5 МПа | |||
| Класс допуска датчика | 2 | |||
| Допустимое отклонение | ±3°С | |||
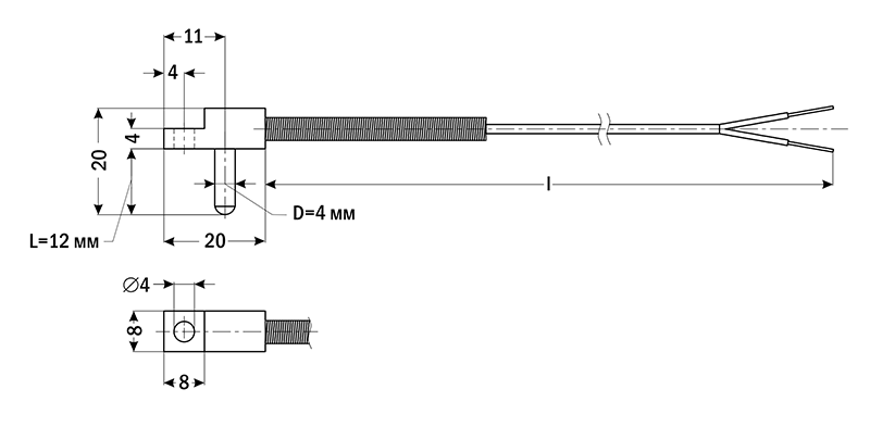
| Длина монтажной части (L) | 12 мм | |||
| Диаметр монтажной части (D) | 4 мм | |||
| Длина кабельного вывода (l) | 2000 мм – стандарт до 50 000 мм – по заказу погрешность длины кабельного вывода ±3% | |||
| Тип спая | неизолированный | изолированный | ||
| Тепловая инерция | ≤ 10 с | ≤ 20 с | ||
| Материал корпуса датчика | никелированная латунь | |||
| Провод | ПТНГЭ-А, многожильный | |||
| Сечение провода | 2×0,2 мм² | |||
| Наружные размеры провода | 2,5×3,5 мм | |||
| Степень защиты | IP54 | |||
Все модификации
| Артикул | Градуировка | Изоляция спая | Срок поставки | Стоимость |
|---|---|---|---|---|
| O40923 | ХА | неизолир. | Со склада | 1014 руб. |
| O40922 | ХК | изолир. | Со склада | 1014 руб. |
| O40924 | ХК | неизолир. | Со склада | 1014 руб. |
| O40925 | ЖК | неизолир. | Со склада | 1014 руб. |

| Номер позиции | Название позиции | Обозначение | Расшифровка |
| 1 | Вид датчика | ТП-А | Термопара |
| ТС-А | Термосопротивление | ||
| NTC-A | Датчик температуры NTC | ||
| HV-A | Датчик температуры для HVAC | ||
| 2 | Тип | 1 | Бескорпусный/без кабеля |
| 4 | В корпусе с кабелем | ||
| 5 | С пластиковой коммутационной головкой | ||
| 6 | В металлическом корпусе с металлической коммутационной головкой | ||
| 7 | В керамическом корпусе с металлической коммутационной головкой | ||
| 3 | Резьба | 0 | Нет резьбы |
| 1 | С внешней резьбой | ||
| 2 | С внутренней резьбой | ||
| 3 | С резьбой и пружиной | ||
| 4 | С байонетом | ||
| 5 | С резьбой и гайкой | ||
| 4 | Модификация | 0 | |
| 1 | |||
| ... | |||
| 5 | Порядковый номер | 1 | |
| ... | |||
| 6 | Диаметр датчика | 0,5 | 0,5 мм |
| 2 | 2 мм | ||
| 5 | 5 мм | ||
| ... | |||
| 7 | Типоразмер резьбы | G1/2 | G½" |
| M8x1 | M8×1 | ||
| M16x1,5 | M16×1,5 | ||
| ... | |||
| 8 | Длина монтажной части | 020 | 20 мм |
| 050 | 50 мм | ||
| 100 | 100 мм | ||
| 250 | 250 мм | ||
| ... | |||
| 9 | Номинальная статическая характеристика | ХА | ХА(К) |
| ЖК | ЖК (J) | ||
| Pt100 | Pt100 | ||
| 10k | NTC 10k | ||
| ... | |||
| 10 | Тип спая (дополнительно для ТП-А) | Пусто | Изолированный |
| Н | Неизолированный | ||
| 11 | Длина провода | 2,0 | 2000 мм |
| 0,6 | 600 мм | ||
| ... | |||
| 12 | Тип провода* | ПТНГЭк | ПТНГЭк-А |
| КМТФЭт | КМТФЭт-А-3 | ||
| ... | |||
| 13 | Материал корпуса датчика* | С | Нержавеющая сталь |
| Л | Никелированная латунь | ||
| Ин | Inconel 600 | ||
| 14 | Класс допуска* | A | Класс А |
| B | Класс B | ||
*указывается, если у датчика есть выбор по данному параметру
| Габаритные размеры |
![]() |
Предельные допустимые отклонения согласно ГОСТ Р 8.585-2001 (справочная таблица)
| Класс допуска | 1 | 2 | ||
| Тип | Диапазон измерения | Допустимые отклонения | Диапазон измерения | Допустимые отклонения |
| ХА (К) | −40...+375°С | ±1,5°С | −40...+333°С | ±2,5°С |
| +375...+1000°С | ±0,004Т | +333...+1300°С | ±0,0075Т | |
| ХК (L) | – | – | −40...+360°С | ±2,5°С |
| – | – | +360...+800°С | ±(0,7°С+0,005T) | |
| ЖК (J) | −40...+375°С | ±1,5°С | −40...+333°С | ±2,5°С |
| +375...+750°С | ±0,004Т | +333...+900°С | ±0,0075Т | |
| НН (N) | −40...+375°С | ±1,5°С | −40...+333°С | ±2,5°С |
| +375...+1000°С | ±0,004Т | +333...+1300°С | ±0,0075Т | |
| ХКн (E) | −40...+375°С | ±1,5°С | −40...+333°С | ±2,5°С |
| +375...+800°С | ±0,004Т | +333...+990°С | ±0,0075Т | |
| МКн (Т) | −40...+125°С | ±0,5°С | −40...+135°С | ±1,0°С |
| +125...+350°С | ±0,004Т | +135...+350°С | ±0,0075Т | |
| ПП (S) | 0...+1100°С | ±1,0°С | 0...+600°С | ±1,5°С |
| +1100...+1600°С | ±(1,0+0,003(Т−1100)) | +600...+1600°С | ±0,0025Т | |
Диапазон измеряемых температур зависит от конструктивного исполнения датчика и материала защитной арматуры.
Т — абсолютное значение температуры измеряемой среды, °С.





